EasyManua.ls Logo

Hypertherm XPR300 - Recommended Configuration with the Core Gas Connect Console

Hypertherm XPR300
438 pages
Print Icon
To Next Page IconTo Next Page
To Next Page IconTo Next Page
To Previous Page IconTo Previous Page
To Previous Page IconTo Previous Page
Loading...
Qualifications and Requirements
2
58 809480 Instruction Manual XPR300
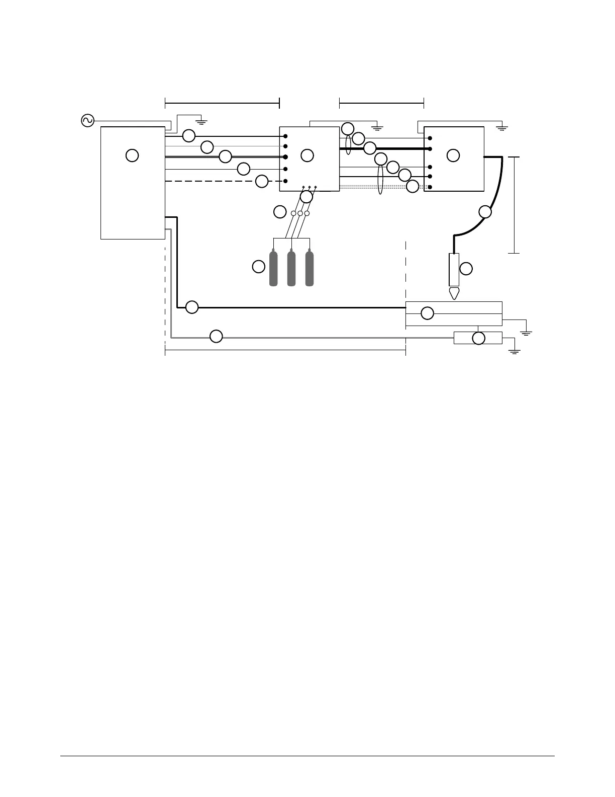
Recommended configuration with the Core gas connect console
≤ 75 m (246.1 ft)
≤ 4.5 m (14.8 ft)
1
2
3
5
6
7
a
b
4
d
e
c
A B C
D
E
F
≤15 m (49.2 ft)
≤ 75 m (246.1 ft)
8
9
11
12
10
13
A Plasma power supply
B Gas connect console (Core)
C Torch connect console
D Torch
E Cutting table
F Computerized numeric control (CNC)
1 Computerized numeric control (CNC) lead
2 Work lead
3 Controller area network (CAN) cable
4 Power cable (120 VAC)
5 Coolant hoses (1 supply, 1 return)
6 Pilot arc lead
7 Negative lead
8 Pilot arc and coolant hose set assembly
a Pilot arc lead
b Coolant hose set (1 supply, 1 return)
9 Power, CAN, 3-gas assembly
c Power cable (120 VAC)
d CAN cable
e 3 gas hoses (Core)
10 Torch lead
11 Regulators
Position a gas regulator within 3 meters (10 feet)
of the gas connect console or take actions to
adjust inlet gas pressures to tolerances specified
in the process gas requirements.
12 Hoses for supply gases
13 Gases Core: O
2
, N
2
, and air

Table of Contents

Other manuals for Hypertherm XPR300

Related product manuals