EasyManua.ls Logo

IEMCA BOSS 545 E - Page 174

Default Icon
211 pages
Print Icon
To Next Page IconTo Next Page
To Next Page IconTo Next Page
To Previous Page IconTo Previous Page
To Previous Page IconTo Previous Page
Loading...
10 - GUIDE CHANNELS - BAR PUSHER - REVOLVING TIPS BOSS 332/545/552 HD
EN
10 - Pag. 13 / 16
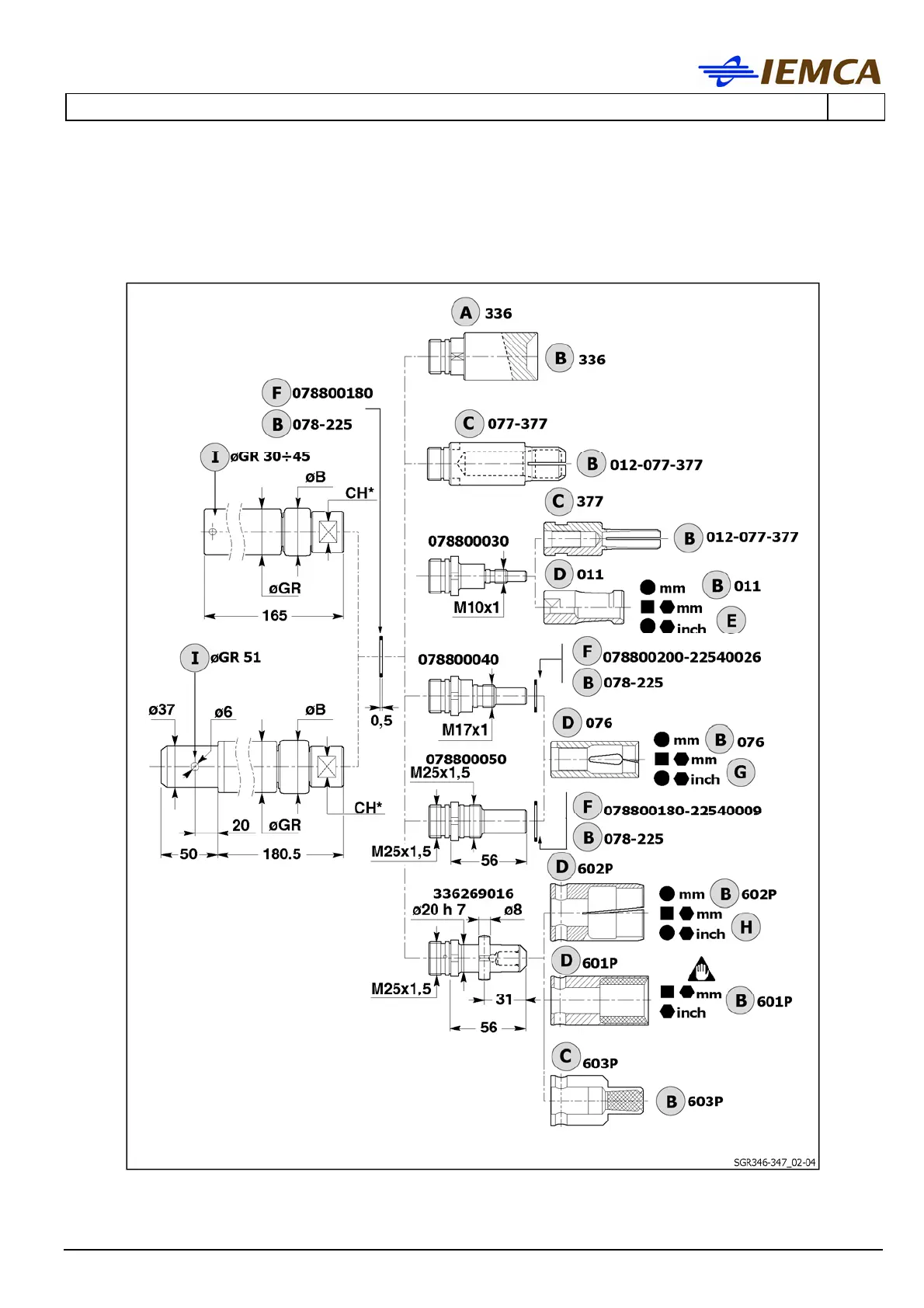
10.5 Revolving tips ØGR 30÷51 - Table
For collets with threaded coupling (IEMCA) or with quick coupling pin

Table of Contents

Related product manuals