EasyManua.ls Logo

ITech IT-M3100 - Page 24

ITech IT-M3100
114 pages
Print Icon
To Next Page IconTo Next Page
To Next Page IconTo Next Page
To Previous Page IconTo Previous Page
To Previous Page IconTo Previous Page
Loading...
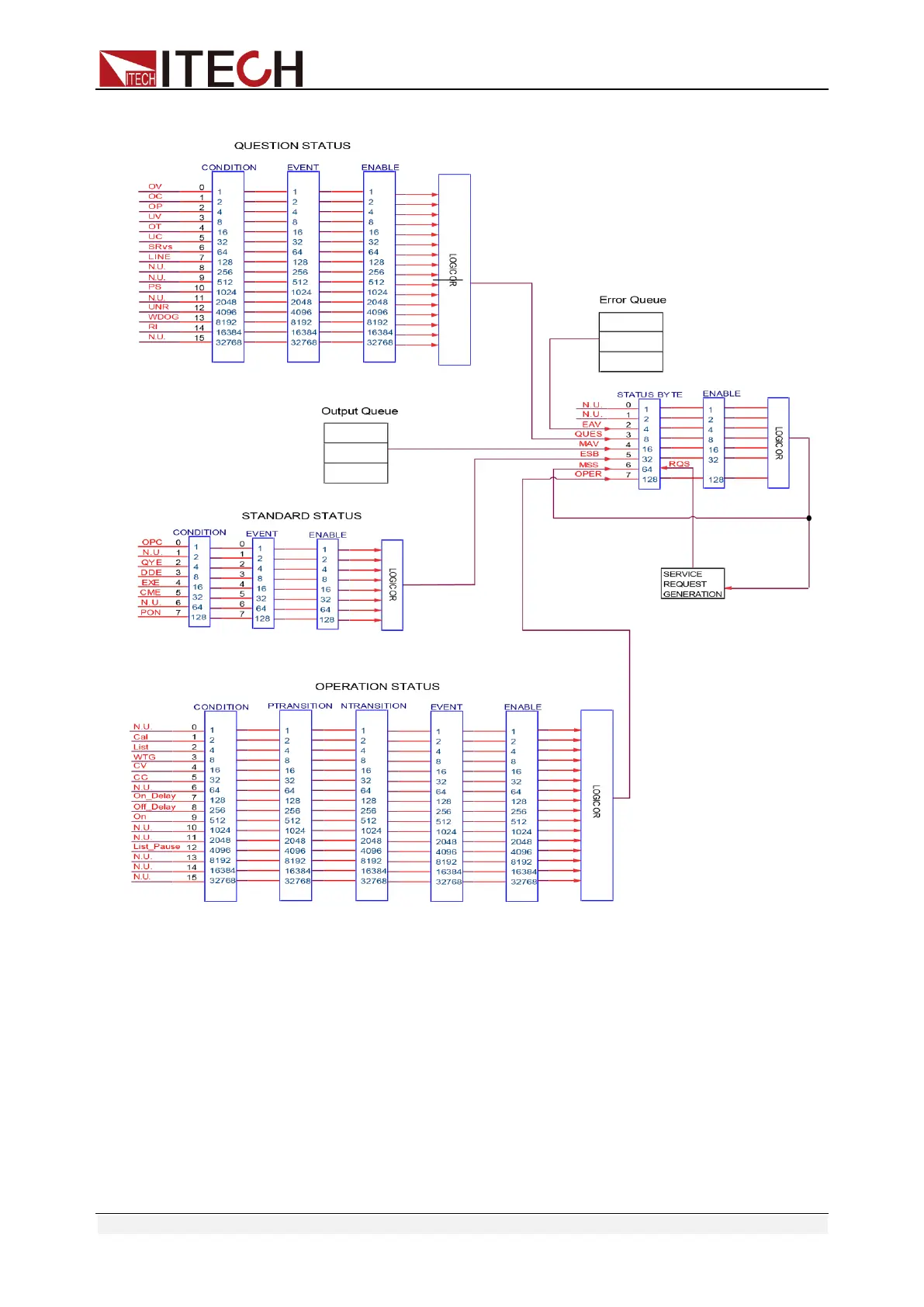
Status register
Copyright © Itech Electronic Co., Ltd. 3
The following figure shows the status register structure of the power supply.

Table of Contents

Related product manuals