EasyManua.ls Logo

LeeBoy 8510E - Main Harness (5 of 6)

LeeBoy 8510E
444 pages
Print Icon
To Next Page IconTo Next Page
To Next Page IconTo Next Page
To Previous Page IconTo Previous Page
To Previous Page IconTo Previous Page
Loading...
MAIN HARNESS (5 OF 6)
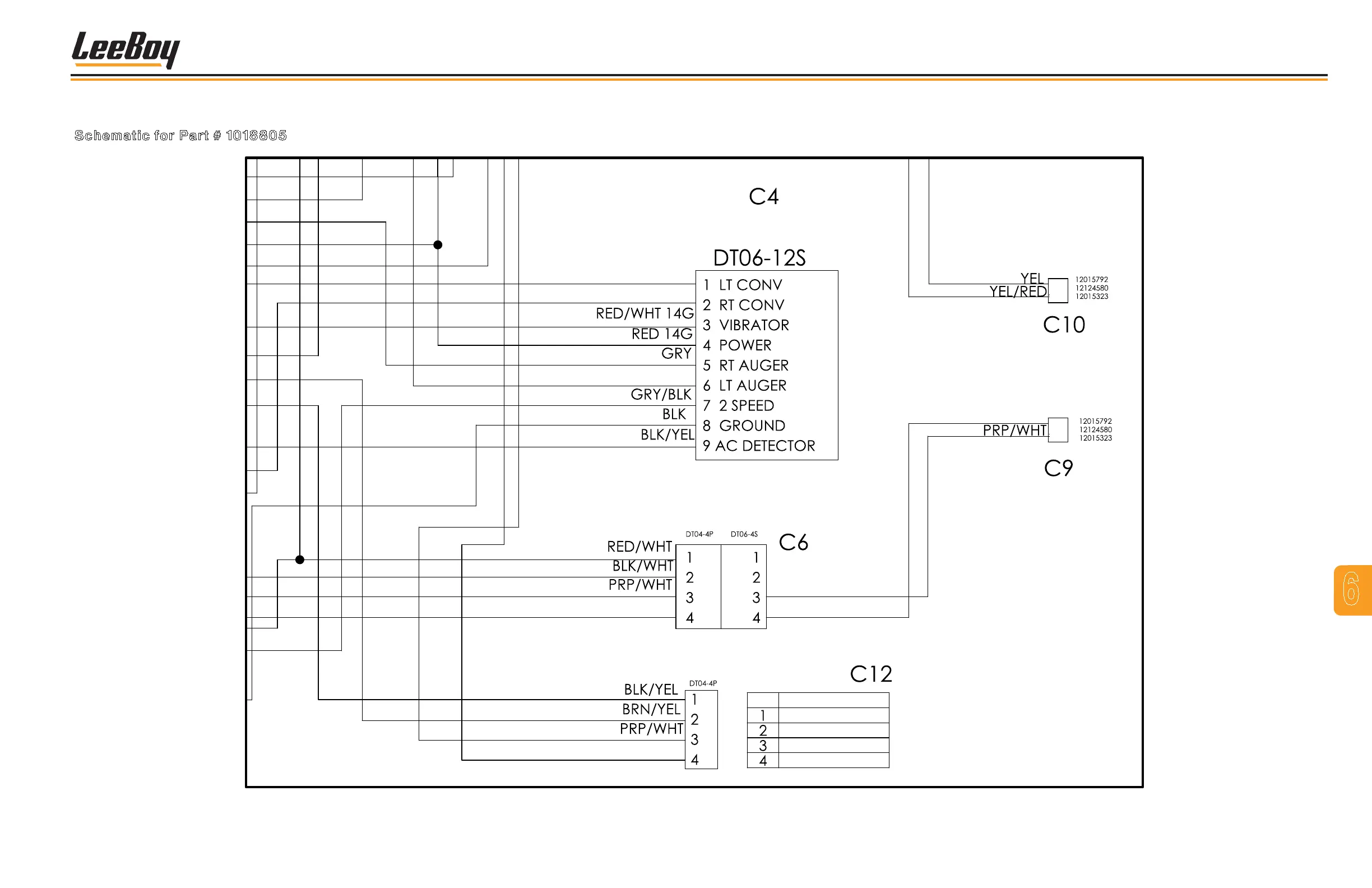
Schematic for Part # 1018805
Figure 6-5. Main Harness (5 of 6)
LOWER MANIFOLD
BLU
GRN
BRN
LT TOPCON
PRP
B
A
A
B
RT TOW
LT TOW
PRP
PRP
BERM MANIFOLD
PIN
DESCRIPTION
RT BERM UP
RT BERM DN
LT BERM UP
LT BERM DN
4
LeeBoy 8510E Conveyor Paver 6-11
Schematics
6

Table of Contents

Related product manuals