EasyManua.ls Logo

LeeBoy 8510E - High Deck Controls - Left (2 of 2)

LeeBoy 8510E
444 pages
Print Icon
To Next Page IconTo Next Page
To Next Page IconTo Next Page
To Previous Page IconTo Previous Page
To Previous Page IconTo Previous Page
Loading...
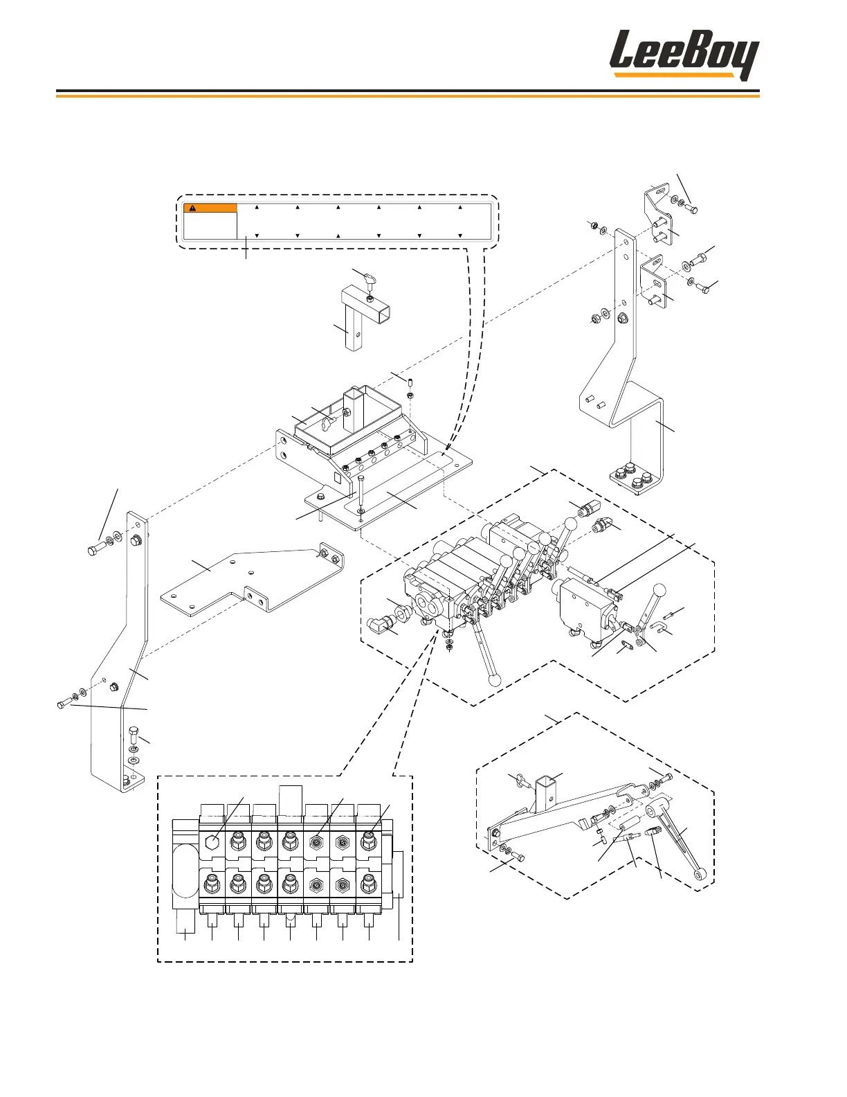
HIGH DECK CONTROLS - LEFT (2 OF 2)
Figure 7-29. High Deck Controls - Left (2 of 2)
OPEN
CUT-OFF
LEFT
CLOSE
IN
SIDE
WINGS
OUT
OPEN
CUT-OFF
RIGHT
CLOSE
FLOAT DOWN
SCREED MUST
BE IN FLOAT
WHEN PAVING
UP
IN
EXTENSION
RIGHT
OUT
IN
EXTENSION
LEFT
OUT
1019223
WARNING
CONVEYOR RAISE & LOWER
ALWAYS FOLD HOPPER
SIDEWINGS OUT BEFORE
RAISING THE CONVEYOR.
41
34
40
383838383838 3937
1
2
3
4,5,6
7
9
8
9
10,11
12,13,14
15,16,17
18
19
20,5,6
21,14
22
20,6
23
21,13,14
24
25
26
28
27
29
42
43
31
30
32
33
35
36
41
9
45
10,11
46
42
47
48,5,6
44
20,5,6
49
Illustrated Parts List
LeeBoy 8510E Conveyor Paver7-74

Table of Contents

Related product manuals