EasyManua.ls Logo

LeeBoy 8510E - Main Harness (6 of 6)

LeeBoy 8510E
444 pages
Print Icon
To Next Page IconTo Next Page
To Next Page IconTo Next Page
To Previous Page IconTo Previous Page
To Previous Page IconTo Previous Page
Loading...
MAIN HARNESS (6 OF 6)
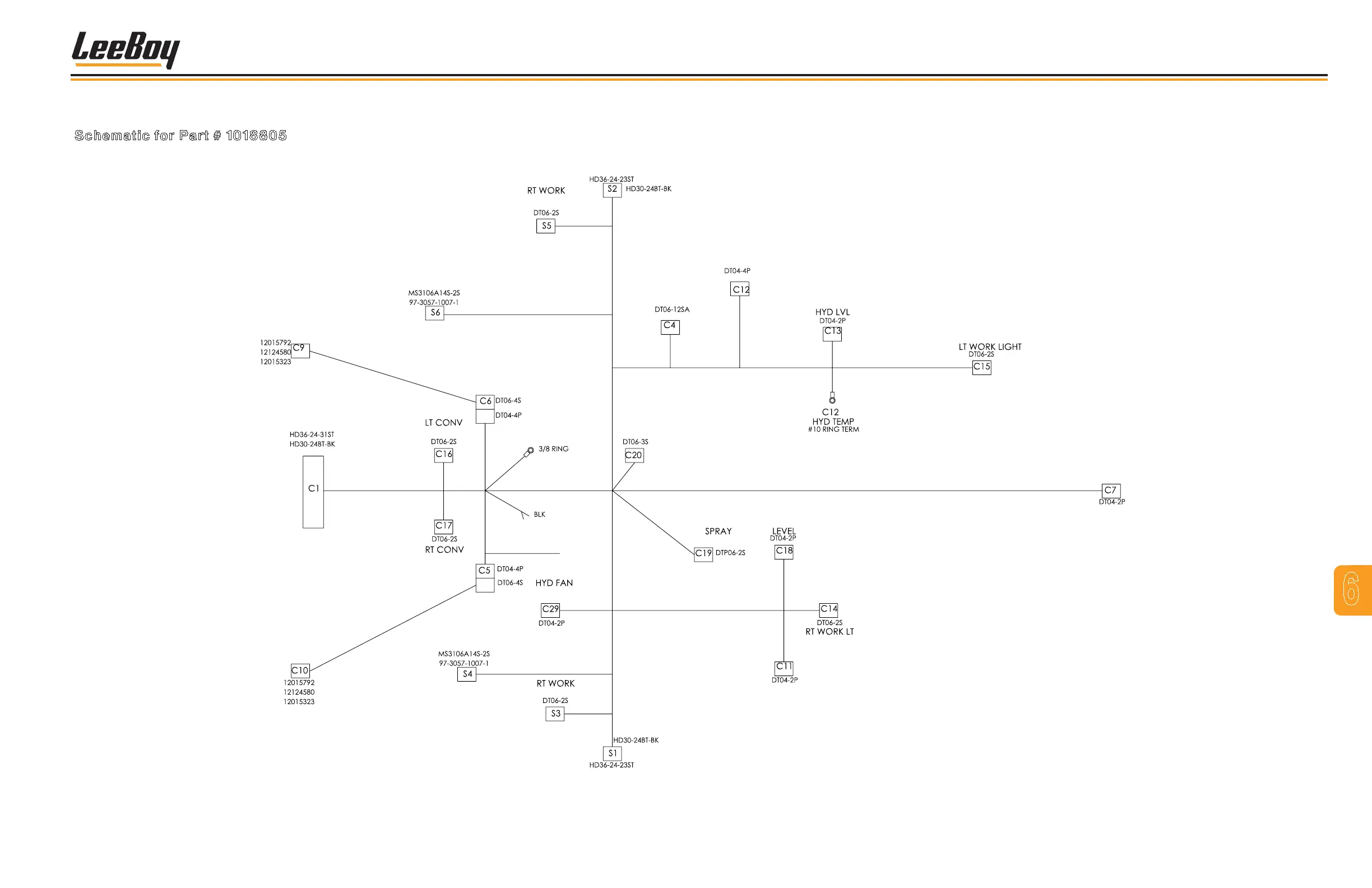
Schematic for Part # 1018805
Figure 6-6. Main Harness (6 of 6)
RED
UNTERMINATED
TOPCON PWR
LT TOPCON
RT TOPCON
LIGHT
PILE HEIGHT
POT
PILE HEIGHT
POT
LIGHT
SW
GENERATOR
LT
SCREED
RT
SCREED
FUEL
RH
TOW
LT
TOW
HORN
BEACON
LOWER
MANIFOLD
DOWN
IGN PWR
SW
TERMINAL
GND
BERM
MANIFOLD
TELEMETRICS
PWR
LeeBoy 8510E Conveyor Paver 6-13
Schematics
6

Table of Contents

Related product manuals