EasyManua.ls Logo

LeeBoy 8510E - Hydraulic Cooler Harness, SPAL Fan

LeeBoy 8510E
444 pages
Print Icon
To Next Page IconTo Next Page
To Next Page IconTo Next Page
To Previous Page IconTo Previous Page
To Previous Page IconTo Previous Page
Loading...
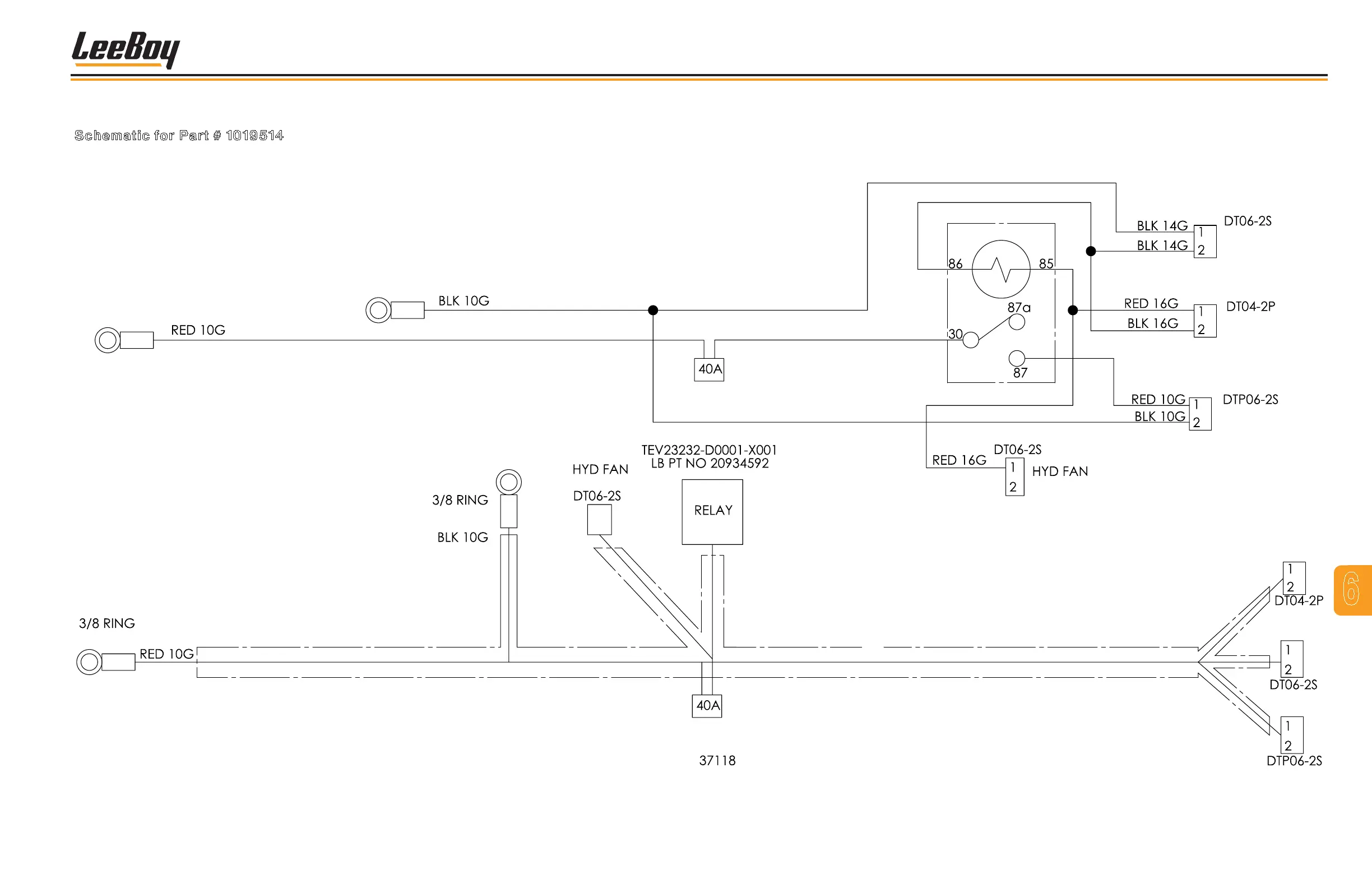
HYDRAULIC COOLER HARNESS, SPAL FAN
Schematic for Part # 1019514
Figure 6-14. Hydraulic Cooler Harness
BATT ISO SW
OPEN SIDE
BATT NEG
TERMINAL
LB PT NO FOR
FUSE HOLDER
TERMINAL
TEMP
SWITCH
FAN
BATT ISO SW
OPEN SIDE
BATT NEG
TEMP
SWITCH
FAN
IGN PWR
IGN PWR
FAN
CNTRL
FAN
CNTRL
LeeBoy 8510E Conveyor Paver 6-29
Schematics
6

Table of Contents

Related product manuals