EasyManua.ls Logo

LeeBoy 8510E - Screed 6 Function Control Box Assembly - Left

LeeBoy 8510E
444 pages
Print Icon
To Next Page IconTo Next Page
To Next Page IconTo Next Page
To Previous Page IconTo Previous Page
To Previous Page IconTo Previous Page
Loading...
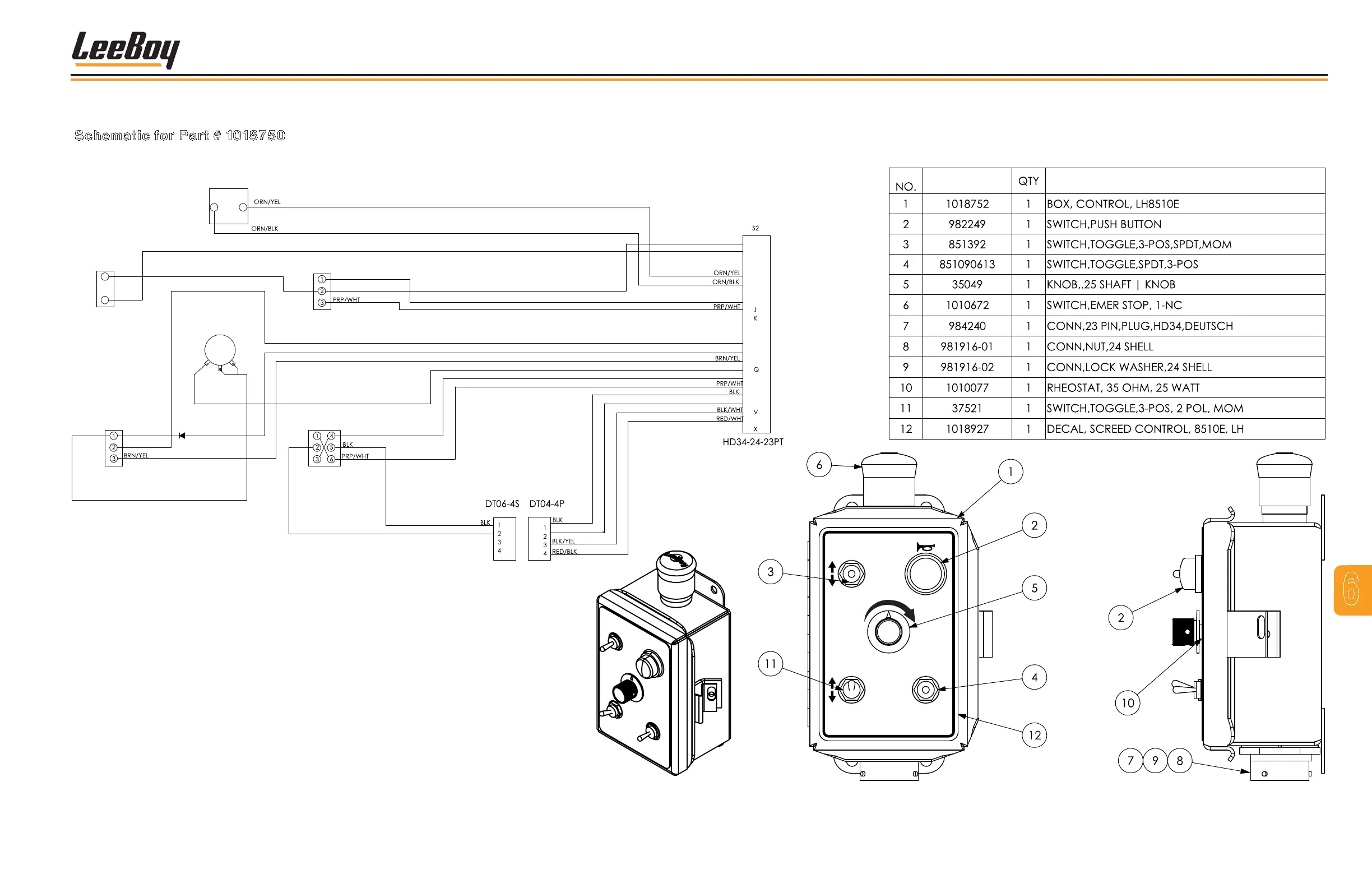
SCREED 6 FUNCTION CONTROL BOX ASSEMBLY - LEFT
Schematic for Part # 1018750
Figure 6-15. Screed 6 Function Control Box Assembly - Left
1018927
E-STOP
HORN
LEFT AUGER
( - ) ( + )
LEFT
BERM
LEFT
AUGER
AUTO
OFF
MANUAL
LEFT
TOW
ITEM
PART NUMBER
DESCRIPTION
BRN
PRP
RED
UP
DN
RED
OFF
AUTO
MAN
RED
RED
A
B
C
D
E
F
G
H
L
M
N
O
P
R
S
T
U
W
RED
WHT
LH SCREED POWER
HORN
ESTOP IN
ESTOP OUT
LH BERM DN
LH BERM UP
PRP
LH AUG MAN
LH AUG AUTO
LH AUG OUTPUT
LH TOW DN
LH TOW UP
PRP
RED
LH TOW GND
LH TOW PWR
LH TOW TOPCON GND
LH TOW TOPCON PWR
BRN
BRN
AUGER
SPEED
HORN
E STOP
AUGER
TOW
BERM
PRP
RED
WHT
RED
BRN
RED
BRN
LH AUG PWR
LeeBoy 8510E Conveyor Paver 6-31
Schematics
6

Table of Contents

Related product manuals