EasyManua.ls Logo

LeeBoy 8510E - Screed 6 Function Control Box Assembly - Right

LeeBoy 8510E
444 pages
Print Icon
To Next Page IconTo Next Page
To Next Page IconTo Next Page
To Previous Page IconTo Previous Page
To Previous Page IconTo Previous Page
Loading...
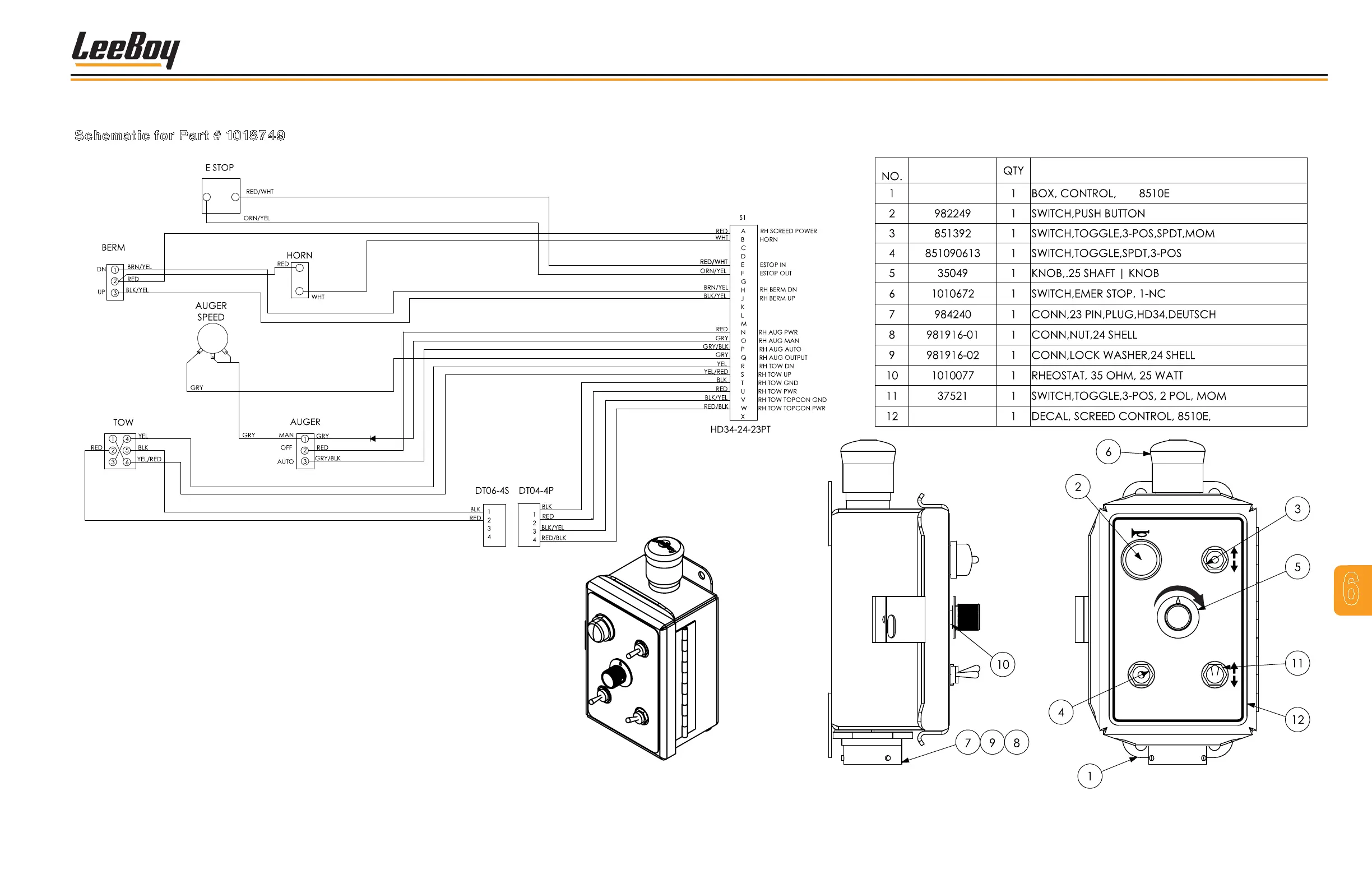
SCREED 6 FUNCTION CONTROL BOX ASSEMBLY - RIGHT
Schematic for Part # 1018749
Figure 6-16. Screed 6 Function Control Box Assembly - Right
1018926
E-STOP
HORN
RIGHT AUGER
( - ) ( + )
RIGHT
BERM
RIGHT
AUGER
AUTO
OFF
MANUAL
RIGHT
TOW
ITEM
PART NUMBER
DESCRIPTION
1018751
1018926 RH
RH
LeeBoy 8510E Conveyor Paver 6-33
Schematics
6

Table of Contents

Related product manuals