EasyManua.ls Logo

LeeBoy 8510E - Engine Assembly - Pumps

LeeBoy 8510E
444 pages
Print Icon
To Next Page IconTo Next Page
To Next Page IconTo Next Page
To Previous Page IconTo Previous Page
To Previous Page IconTo Previous Page
Loading...
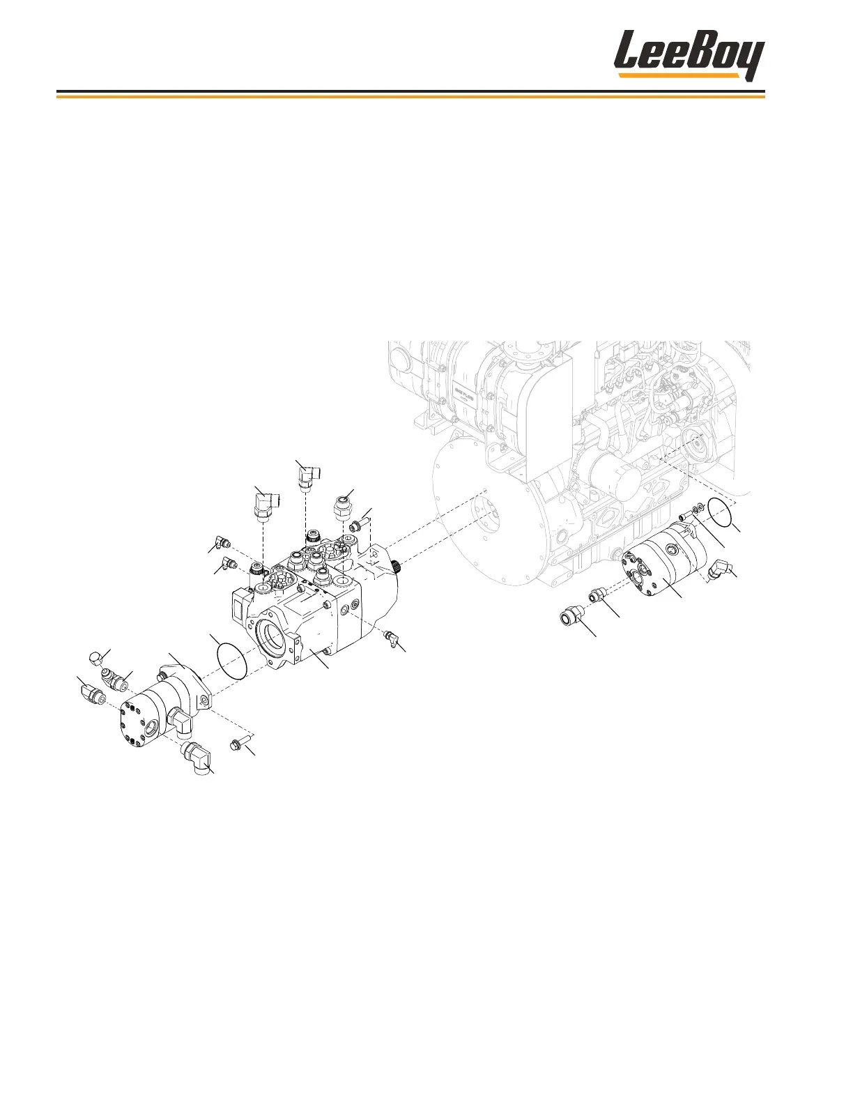
ENGINE ASSEMBLY - PUMPS
1
2
3
4
5,6,7
8
9
9
9
10
11
12
16
13,14,15
17
20
18
19
21
22,23,24
3
Figure 7-18. Engine Assembly - Pumps
Illustrated Parts List
LeeBoy 8510E Conveyor Paver7-48

Table of Contents

Related product manuals