EasyManua.ls Logo

Mitsubishi Q02CPU - Page 263

Mitsubishi Q02CPU
692 pages
Print Icon
To Next Page IconTo Next Page
To Next Page IconTo Next Page
To Previous Page IconTo Previous Page
To Previous Page IconTo Previous Page
Loading...
6
FUNCTIONS
6.6 Remote Operation
6.6.1 Remote RUN/STOP
6
- 22
1
Overview
2
Performance
Specification
3
Sequence Program
Configuration and
Execution Conditions
4
I/O Nunber Assignment
5
Memories and Files
Handled by CPU Module
6
Functions
7
Communication with
Intelligent Function
Module
8
Parameters
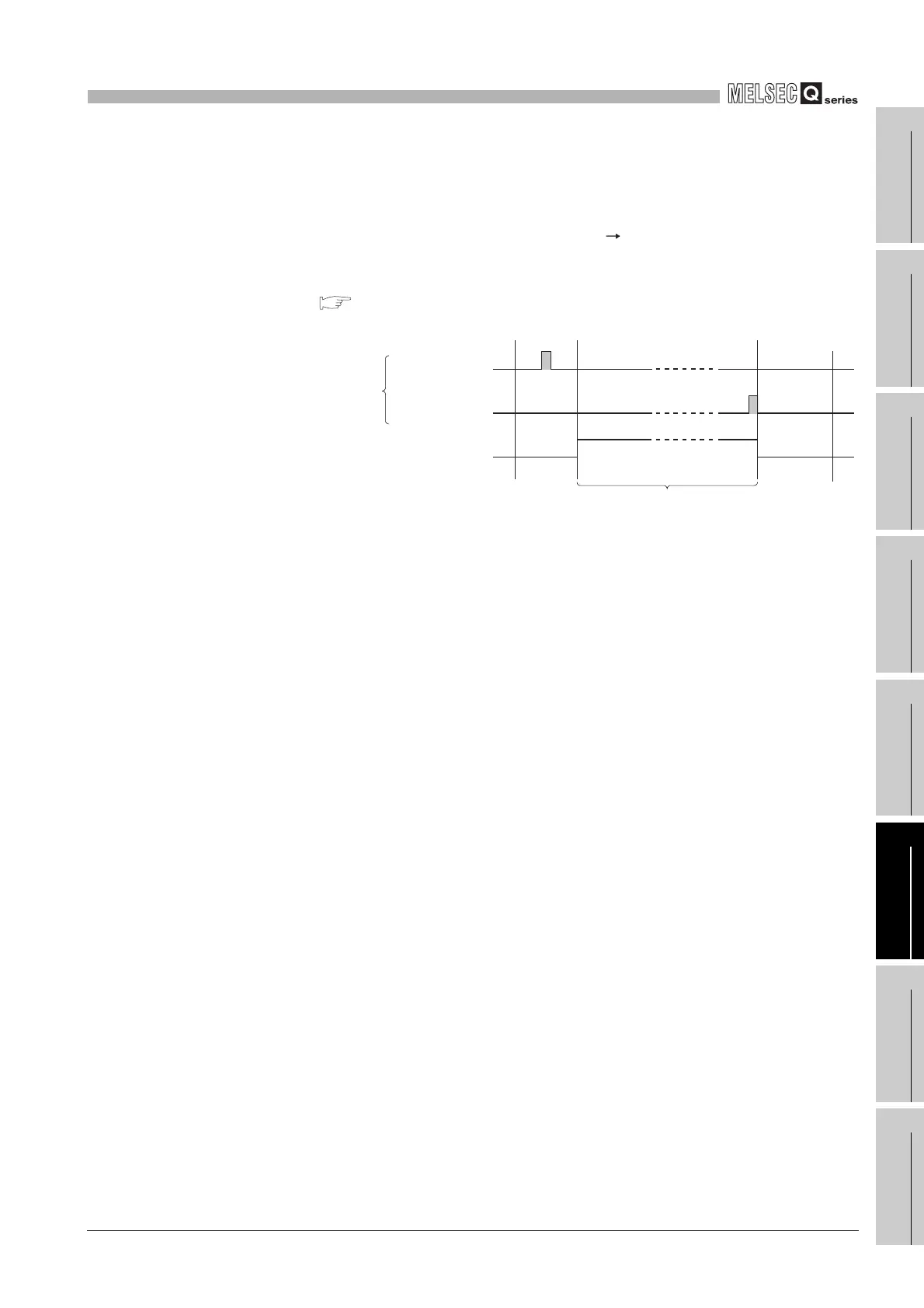
(b) Method by GX Developer or external device using MC protocol
RUN/STOP of the CPU module can be executed by performing remote RUN/
STOP operation with GX Developer or external device using MC protocol.
Operate GX Developer by choosing [Online] [Remote operation].
Execute remote RUN/STOP from an external device using the MC protocol
command.
Q Corresponding MELSEC Communication Protocol Reference Manual
Diagram 6.15 Remote RUN/STOP by GX Developer or external device
GX Developer
or
External device
Remote STOP
command
Remote RUN
command
RUN/STOP
status
Step 0
ON
OFF
OFF
RUN
STOP
END
STOP status
ON
Step 0
END
0

Table of Contents

Other manuals for Mitsubishi Q02CPU

Related product manuals