EasyManua.ls Logo

PennEngineering Haeger 824 WindowTouch-4e - Parts List - Printed Circuit Board Assembly

PennEngineering Haeger 824 WindowTouch-4e
167 pages
Print Icon
To Next Page IconTo Next Page
To Next Page IconTo Next Page
To Previous Page IconTo Previous Page
To Previous Page IconTo Previous Page
Loading...
17-00001-C Page | 157
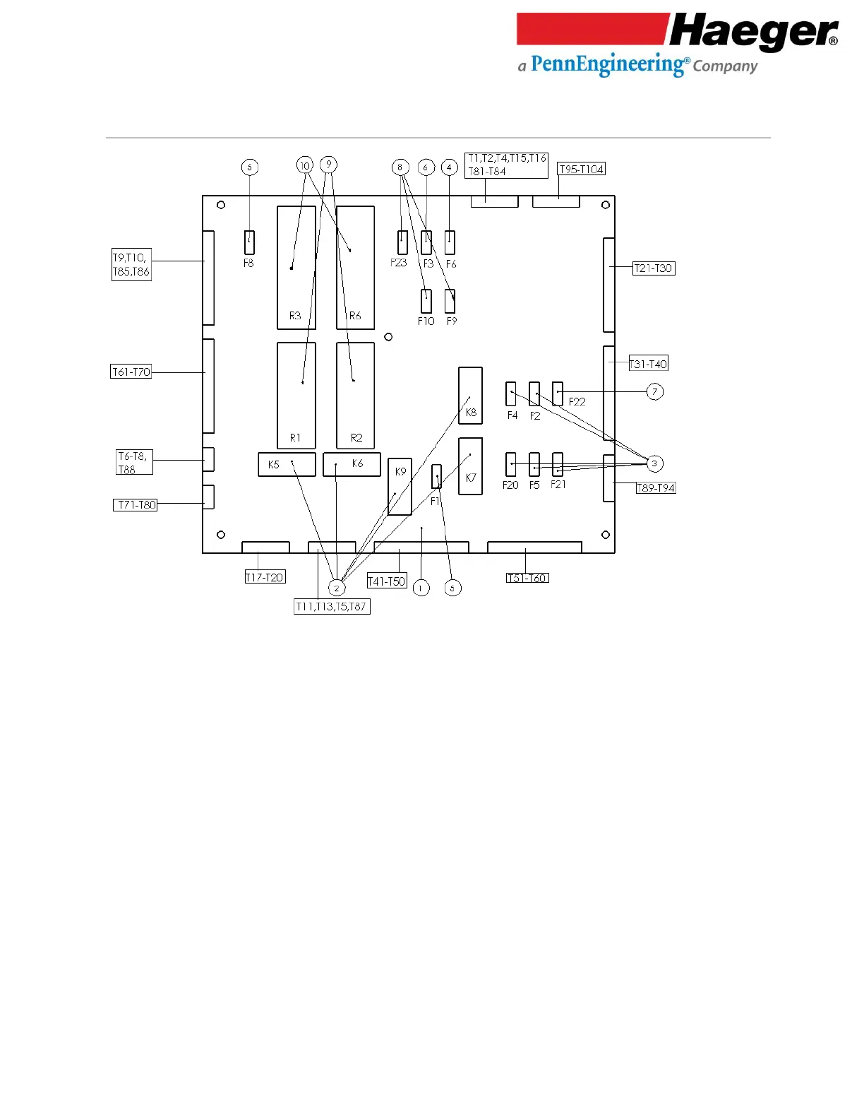
Parts List Printed Circuit Board Assembly
ITEM NO.
PART NUMBER
DESCRIPTION
QTY.
1
15-00715
SAFETY RELAY BOARD
1
2
15-00135
RELAY, SPDT
5
3
11-00376
FUSE 2 AMP
5
4
15-00152
FUSE 5 AMP
1
5
15-00451
FUSE 0.5 AMP
2
6
15-00129
FUSE 1 AMP
1
7
11-00375
FUSE 4 AMP
1
8
15-00130
FUSE 1.6 AMP
3
9
15-00133
FORCE GUIDED RELAY 24VDC 3N.O 1 N.C. (462-1027)(3MOPO)
2
10
15-00134
FORCE GUIDED RELAY, 6VDC 3.N.O. 3 N.C.(462-1026)
2

Table of Contents