EasyManua.ls Logo

PennEngineering Haeger 824 WindowTouch-4e - Parts List - TIS Assembly

PennEngineering Haeger 824 WindowTouch-4e
167 pages
Print Icon
To Next Page IconTo Next Page
To Next Page IconTo Next Page
To Previous Page IconTo Previous Page
To Previous Page IconTo Previous Page
Loading...
17-00001-C Page | 147
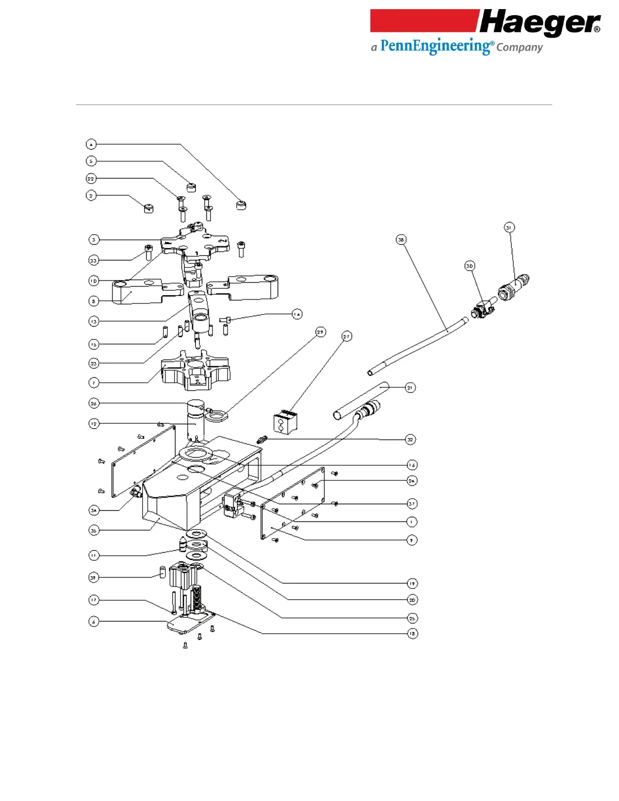
Parts List - TIS Assembly

Table of Contents