EasyManua.ls Logo

Polaris 600 RUSH 2010 - DC-Cfi Ac Power (Lighting) Circuits

Polaris 600 RUSH 2010
512 pages
To Next Page IconTo Next Page
To Next Page IconTo Next Page
To Previous Page IconTo Previous Page
To Previous Page IconTo Previous Page
Loading...
10.35
Battery and Electrical Systems
10
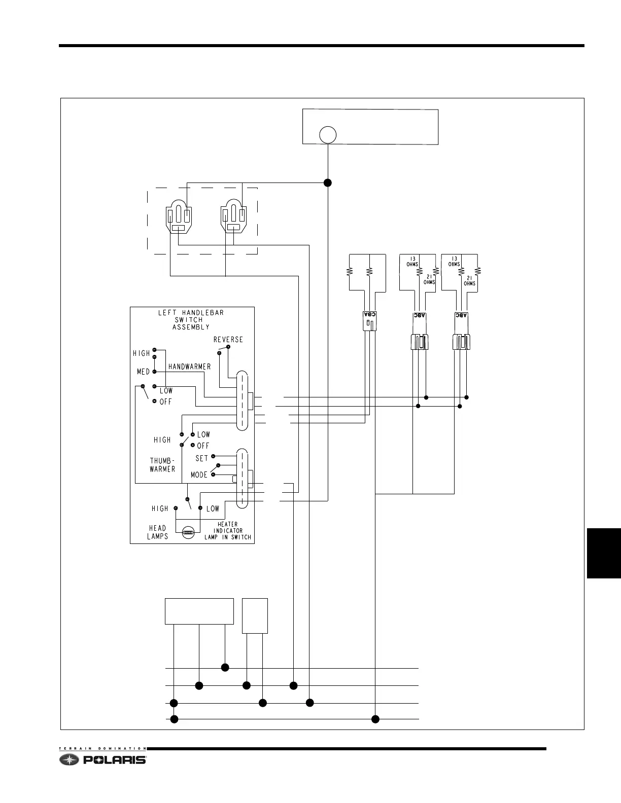
DC-CFI AC Power (Lighting) Circuits
RED/GRN
YELLOW
BROWN
BATTERY VOLTAGE
AC STATOR VOLTAGE
GROUND
AC REGULATOR
RECTIFIER
AC
POWER
TEST
INSTRUMENT CLUSTER
HEAD LIGHTS
THUMB WARMER
HAND WARMERS
BRN/WHT
BRN
BRN
20
BRN/WHT
SWITCHED GROUND
BRN/WHT
ORG/GRN
GRY/WHT
BLU/RED
BLUE
YE/RD
DG/YEL
YE/RD
YE/RD
YELLOW
YE/RD
DG/YEL

Table of Contents

Related product manuals