EasyManua.ls Logo

Polaroid SprintScan SS35 - Page 175

Polaroid SprintScan SS35
187 pages
Print Icon
To Next Page IconTo Next Page
To Next Page IconTo Next Page
To Previous Page IconTo Previous Page
To Previous Page IconTo Previous Page
Loading...
175
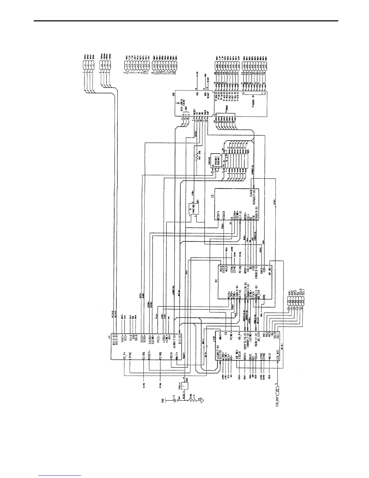
Slide Scanner Repair Manual System Diagrams
SS35 PLUS Main Controller PC Board
(Sheet 1 of 9)

Table of Contents

Related product manuals