EasyManua.ls Logo

Renesas M16C/29 Series - Page 167

Renesas M16C/29 Series
501 pages
Print Icon
To Next Page IconTo Next Page
To Next Page IconTo Next Page
To Previous Page IconTo Previous Page
To Previous Page IconTo Previous Page
Loading...
13. Timer S
puorG92/C61M
page 141
854fo7002,03.raM21.1.veR
2110-1010B90JER
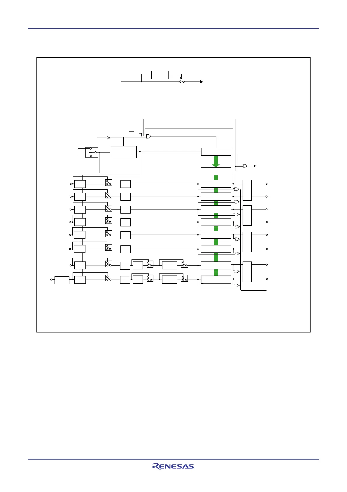
Figure 13.1 IC/OC Block Diagram
BTS: Bits in the G1BCR1 register
CTS1 to CTS0, DF1 to DF0, GT, PR : Bits in the G1TMCRj register (j= 0 to 7)
PCLK0 : Bits in the PCLKR register
G1TM0, G1PO0
register
G1TM1, G1PO1
register
G1TM2, G1PO2
register
G1TM3, G1PO3
register
G1TM4, G1PO4
register
G1TM5, G1PO5
register
G1TM6, G1PO6
register
G1TM7, G
1PO
7
register
PWM
output
PWM
output
PWM
output
PWM
output
Base timer reset
(n+1)
Divider register
Edge
select
Digital
filter
Gate
functio
n
Edge
select
Digital
filter
Gate
function
Edge
select
Digital
filter
Edge
select
Digital
filter
INPC1
0
INPC1
1
INPC1
6
(G1DV)
GT
GT
PR
PR
Ch0 to ch7
interrupt request signal
OUTC1
0
OUTC1
1
OUTC1
4
OUTC1
5
Prescaler
function
Prescaler
function
OUTC1
6
OUTC1
7
OUTC1
2
OUTC1
3
(Note 1)
Base timer
f
BT1
Edge
select
Digital
filter
INPC1
2
Two-phase
pulse input
BCK1 to BCK0 : Bits in the G1BCR0 register
Request from INT1 pi
n
BTS
Request by matching G1PO0 register and base timer
Base timer over flow request
BCK1 to BCK0
11
10
00
10:f
BT1
11: f
1
or f
2
DF1 to DF0
CTS1 to CTS0
CTS1 to CTS0
CTS1 to CTS0
00
DF1 to DF0
00
DF1 to DF0
00
DF1 to DF0
00
0
0
1
0
1
0
1
1
DF1 to DF0
Base timer reset
register (G1BTRR)
Request by matching G1BTRR and base timer
00
CTS1 to CTS0
DF1 to DF0
Edge
select
Digital
filter
INPC1
3
DF1 to DF0
Edge
select
Digital
filter
INPC1
4
CTS1 to CTS0
DF1 to DF0
Edge
select
Digital
filter
INPC1
5
CTS1 to CTS0
INPC1
7
Digital
debounce
Base timer reset request
Base timer interrupt request
00
00
CTS1 to CTS0
CTS1 to CTS0
1/2
PCLK0=0
PCLK0=1
f
1
or f
2
f
1
or f
2
Main clock,
PLL clock,
On-chip
oscillator clock
10:f
BT1
11: f
1
or f
2
10:f
BT1
11: f
1
or f
2
10:f
BT1
11: f
1
or f
2
10:f
BT1
11: f
1
or f
2
10:f
BT1
11: f
1
or f
2
10:f
BT1
11: f
1
or f
2
10:f
BT1
11: f
1
or f
2
Figure 13.1 shows the block diagram of the IC/OC.

Table of Contents

Related product manuals