EasyManua.ls Logo

SYSMEX CyFlow Cube 8 - Page 16

SYSMEX CyFlow Cube 8
200 pages
Print Icon
To Next Page IconTo Next Page
To Next Page IconTo Next Page
To Previous Page IconTo Previous Page
To Previous Page IconTo Previous Page
Loading...
3Overview
16 CyFlow
®
Cube 8 | Operating Manual | May 2018 | Revision 032
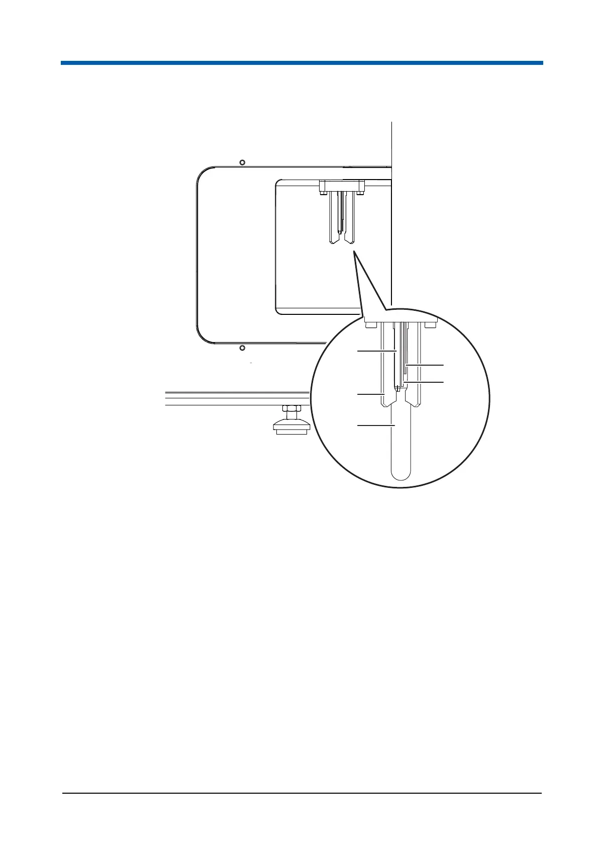
Fig. 3.4 Sample port at the right side of the device
1 Start electrode
2 Stop electrode
3 Sample tube
4 Sample holder
5 Sample port injection needle
5
1
2
4
3

Table of Contents