EasyManua.ls Logo

Tektronix 7613 - sm_Page_077.tif

Tektronix 7613
224 pages
Print Icon
To Next Page IconTo Next Page
To Next Page IconTo Next Page
To Previous Page IconTo Previous Page
To Previous Page IconTo Previous Page
Loading...
Circuit
Description—7613/R7613
Service
Level
P:
ror
Level
Preset
Q1453
T3
Q1467
T2
a14se
Q1462
Save
Tima
Persistence
Q1482
Collector
Q1387
Q1373
Pulse
Generator
Save/Store
@
a1401
Non-Store
Save/Store
Remote
Error
1340
Q1336
Non-Store
01331
Store
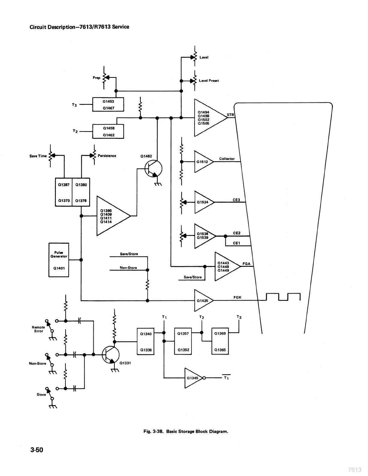
Fig.
3-38,
Basic
Storage
Block
Diagram.
3-50
7613

Table of Contents

Related product manuals