EasyManua.ls Logo

Teledyne 200E - Electronic Operation

Teledyne 200E
302 pages
Print Icon
To Next Page IconTo Next Page
To Next Page IconTo Next Page
To Previous Page IconTo Previous Page
To Previous Page IconTo Previous Page
Loading...
Model 200E Instruction Manual Theory of Operation
GEN OFF, is displayed. This flow measurement is viewable through instrument’s front panel
display as the test function OZONE FL.
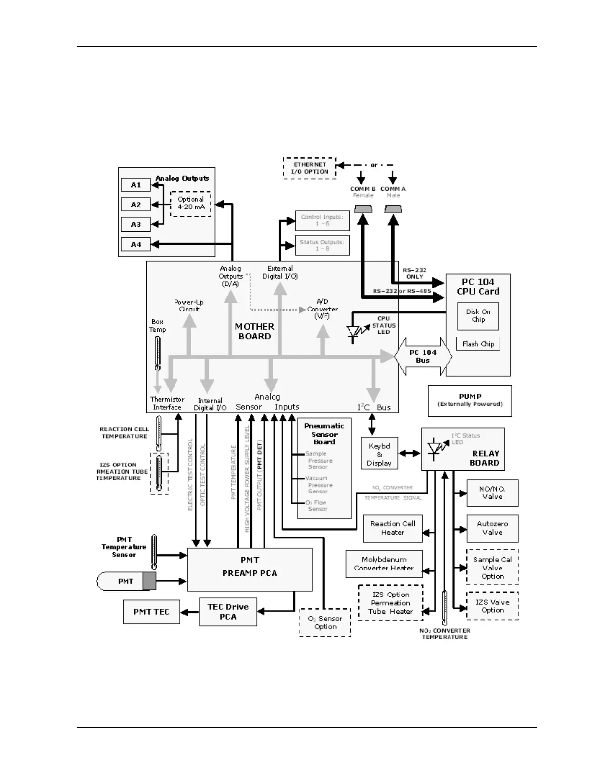
10.3. Electronic Operation
Figure 10-11 shows a block diagram of the major electronic components of the M200E.
Figure 10-11: M200E Electronic Block Diagram
The core of the analyzer is a microcomputer (CPU) that controls various internal processes,
interprets data, calculates data, and reports results using specialized firmware developed by
044100102 Rev A 171

Table of Contents

Related product manuals