EasyManua.ls Logo

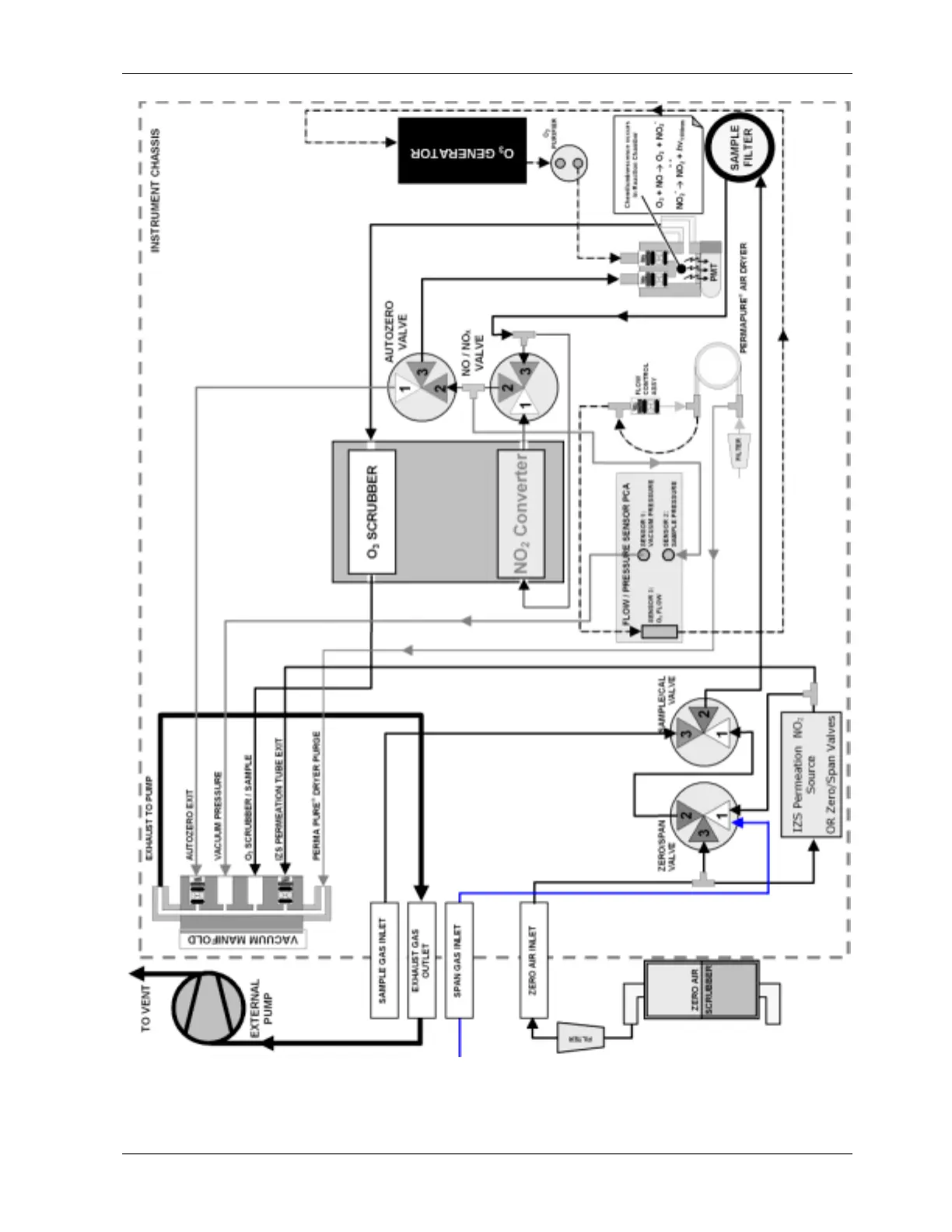
Teledyne 200E - Figure 3-12: M200 E Pneumatic Diagram with Options Installed

Teledyne 200E
302 pages
Print Icon
To Next Page IconTo Next Page
To Next Page IconTo Next Page
To Previous Page IconTo Previous Page
To Previous Page IconTo Previous Page
Loading...
Model 200E Instruction Manual Getting Started
Figure 3-12: M200E Pneumatic Diagram With Options Installed
044100102 Rev A 25

Table of Contents

Related product manuals