EasyManua.ls Logo

Yamaha E40J - Page 65

Yamaha E40J
200 pages
Print Icon
To Next Page IconTo Next Page
To Next Page IconTo Next Page
To Previous Page IconTo Previous Page
To Previous Page IconTo Previous Page
Loading...
6F65G11
5-10
9
8
7
6
5
4
3
2
1
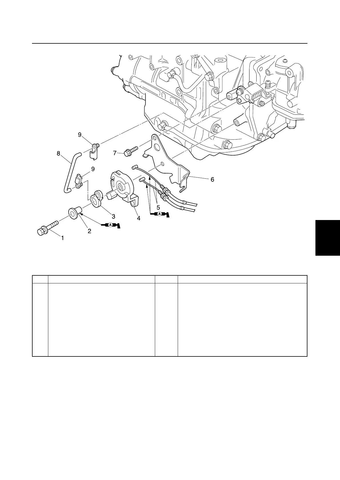
Power unit
6F65060E
No. Part name Qty Remarks
1 Bolt 1 M6 × 30 mm
2 Collar 1
3 Throttle control lever 1
4 Throttle pulley 1
5 Throttle cable 2
6 Bracket 1
7 Bolt 1 M6 × 15 mm
8 Link rod 1
9 Joint 2

Table of Contents

Related product manuals