EasyManua.ls Logo

Yamaha FZ09E - Page 19

Yamaha FZ09E
468 pages
Print Icon
To Next Page IconTo Next Page
To Next Page IconTo Next Page
To Previous Page IconTo Previous Page
To Previous Page IconTo Previous Page
Loading...
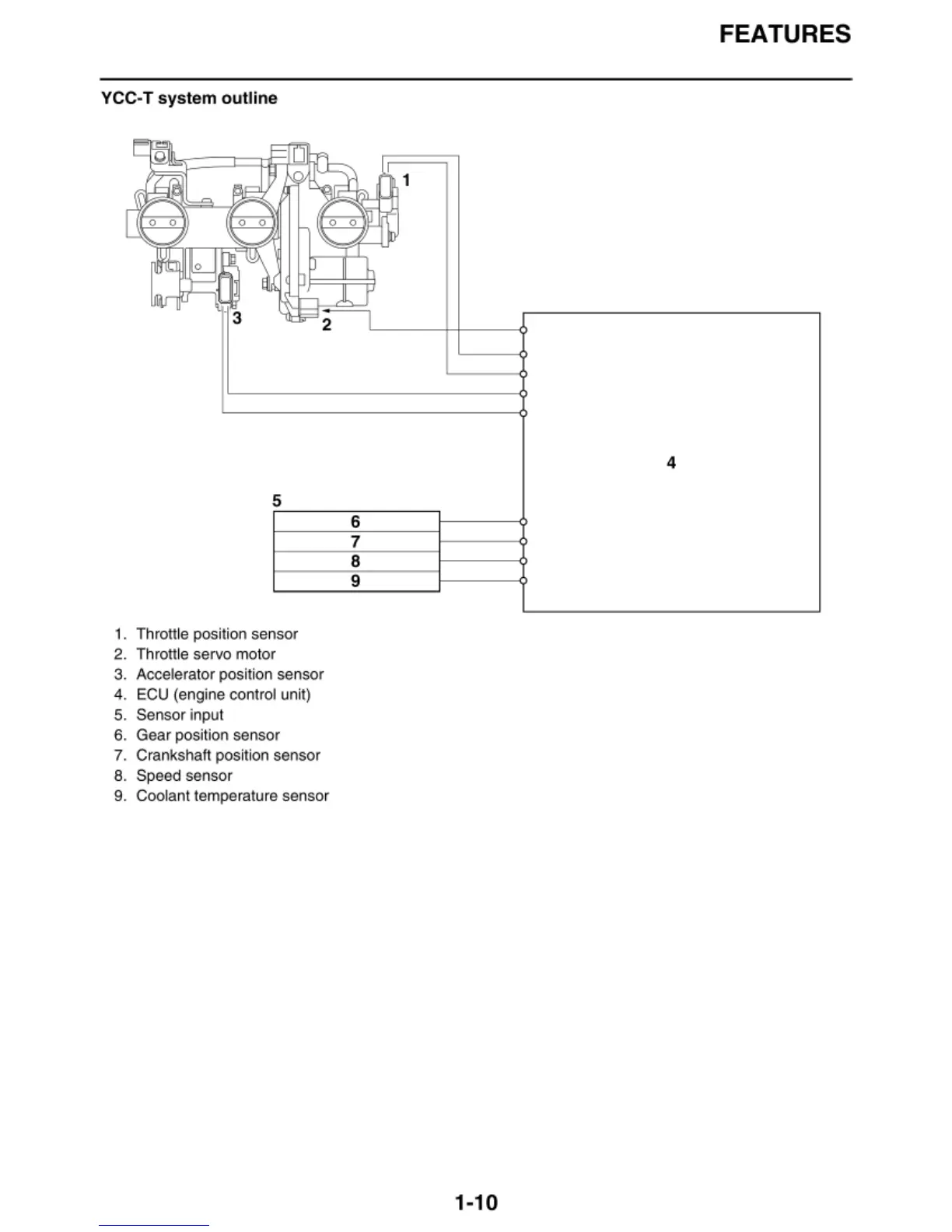
FEATURES
YCC-T system outline
L
O''
()
~
"'
ifill
1
~
~'
@@
~~
~
0
~~
II
"""
· 3
2
4
5
6
7
8
9
1. T
hr
ottle position sensor
2. T
hr
ottle servo
mo
t
or
3. Accelerat
or
position sensor
4. ECU (engine control
un
it)
5.
Sensor input
6.
Gear position sensor
7.
Crankshaft position sensor
8. Sp
ee
d sensor
9.
Coolant temperature sensor
1-10

Table of Contents

Related product manuals