EasyManua.ls Logo

Yamaha FZ09E - Lighting System; Circuit Diagram

Yamaha FZ09E
468 pages
Print Icon
To Next Page IconTo Next Page
To Next Page IconTo Next Page
To Previous Page IconTo Previous Page
To Previous Page IconTo Previous Page
Loading...
EA
$272-CO
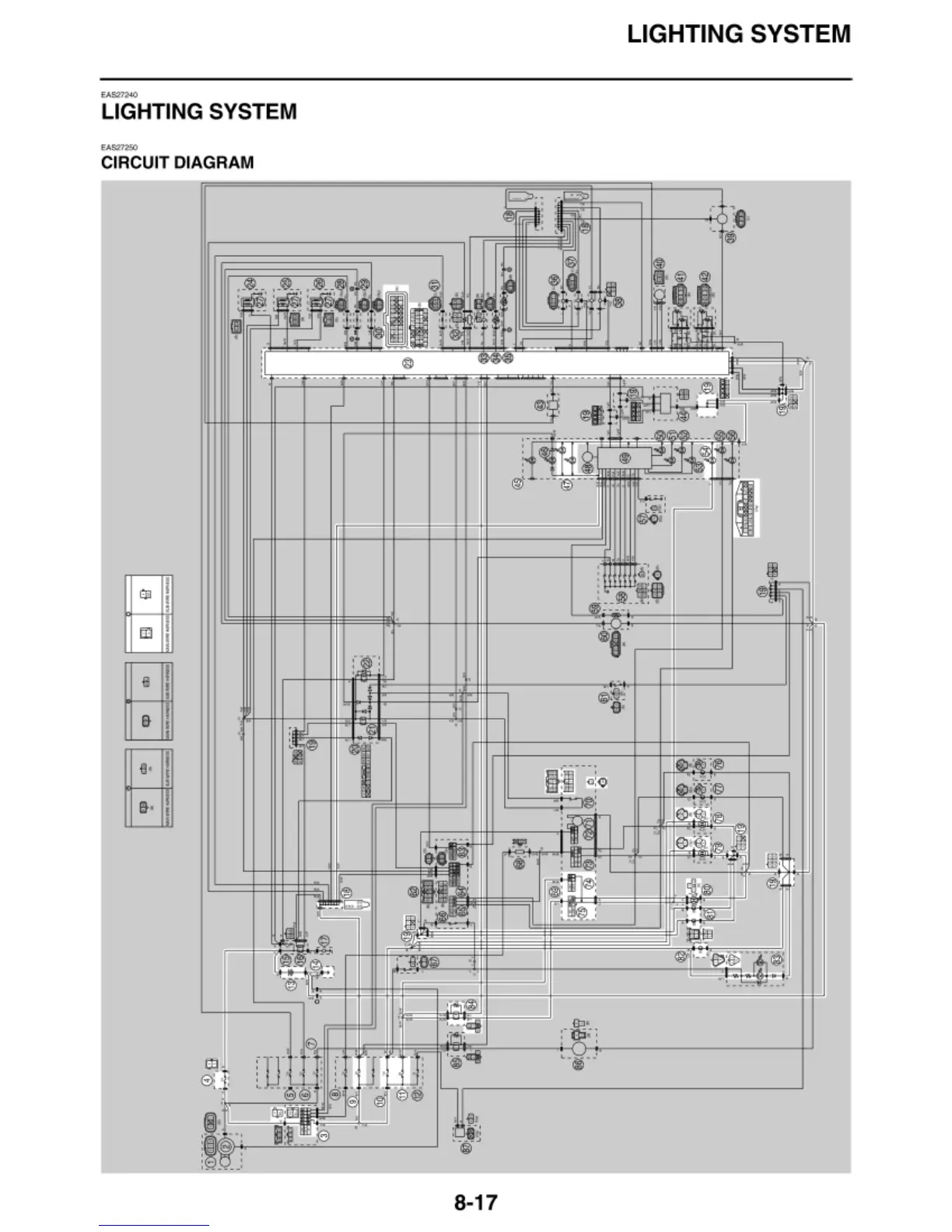
LIGHTING SYSTEM
EA
$272:50
CIRCUIT DIAGRAM
Ill
I
!
l'i:I
I
I
I
I
e
I
9•
I
!
Ii}·
I
I
:
-.
i· --'
' '
' '
8-17
LIGHTING SYSTEM
-
C>··
-
.
'
..
'
®
'
'
.T
'
'
'
"
'
'
®
!El
· © @
·~-jl
:.
t.
~llll:
::
:
' . '
- -
'
' ;
®•'
' '
'
.----
-
------
·
' "
~
:..
~
';:; 1
..
'
'
@-·--
-
©"
···

Table of Contents

Related product manuals