EasyManua.ls Logo

Yamaha FZ09E - Charging System; Circuit Diagram

Yamaha FZ09E
468 pages
Print Icon
To Next Page IconTo Next Page
To Next Page IconTo Next Page
To Previous Page IconTo Previous Page
To Previous Page IconTo Previous Page
Loading...
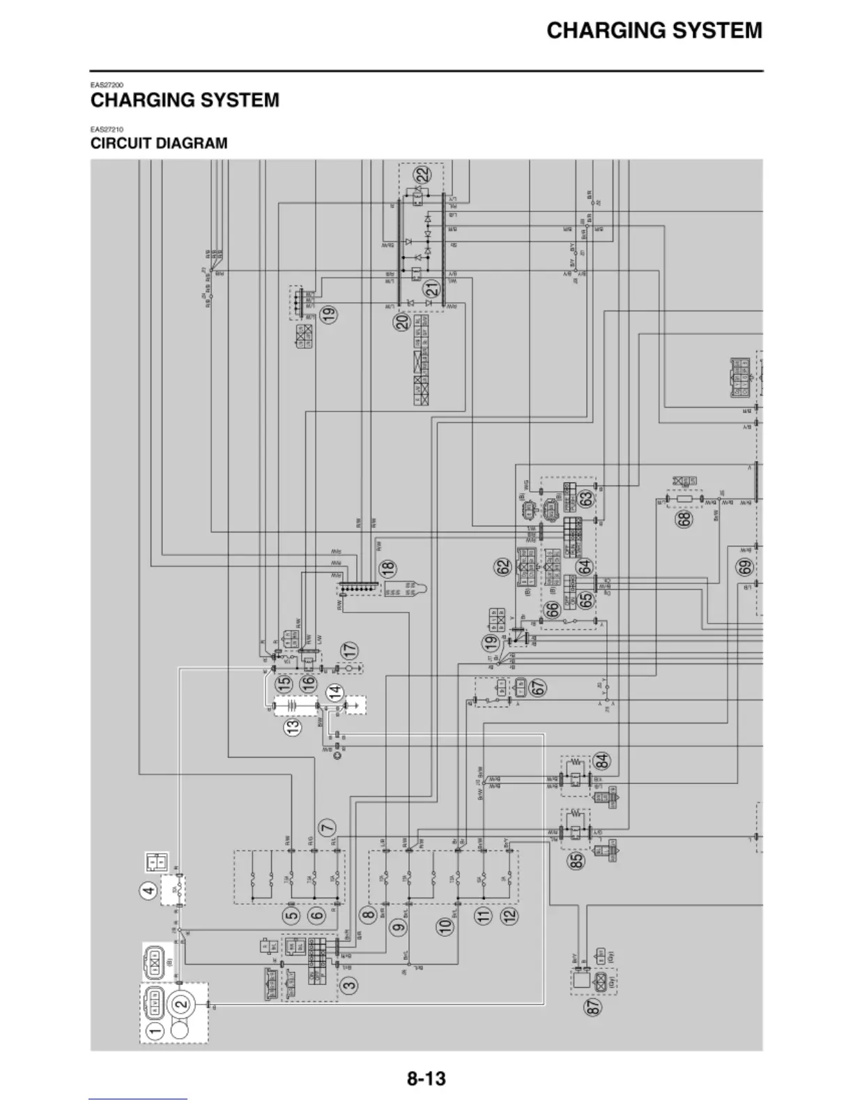
CHARGING SYSTEM
EA$27~
CHARGING SYSTEM
EAS2'12
10
CIRCUIT DIAGRAM
m.
·
---
' 1
e
(
~
l
I
~
.
!
Em
'
-~I!~
-
••
©
..:
:----
,
·-
.
:--
~-
:
·~
·
:_..-;::..
:
-----
·-
:
<f:J11H--·~t--Y:t/fi!ir===~.~.~1.d=~1:;===~
--"!
·-
...
- .--
--·-~
------- ,
...
-
...
.
.
: .
8-13
.
.
••
>
~
•••
:
:
>
<
l8iiJ3l
:------·
.
1:1
.
..
'
...
'
.
.
:
. -

Table of Contents

Related product manuals