EasyManua.ls Logo

YASKAWA MP3000 Series - Page 146

YASKAWA MP3000 Series
326 pages
Print Icon
To Next Page IconTo Next Page
To Next Page IconTo Next Page
To Previous Page IconTo Previous Page
To Previous Page IconTo Previous Page
Loading...
4.1 User Program Types and Execution Timing
4.1.2 Motion Programs
4-13
4
Creating User Programs
Motion Program Execution
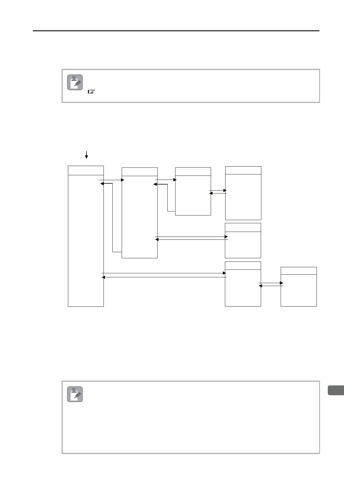
Motion programs are called with an MSEE instruction from a ladder program in an H drawing.
After you create the motion program, place a Call Motion Program (MSEE) instruction in the
ladder program of an H drawing. Motion programs can be called from any H drawing, regard-
less of whether it is a parent, child, or grandchild drawing.
The following figure shows an execution example.
The ladder instruction in the H drawing is executed every high-speed scan cycle according to
the hierarchical organization of parent-child-grandchild drawings.
The above programming only prepares for execution of the motion program. The motion pro-
gram is not executed when the MSEE instruction is inserted. To start the motion program after
inserting the MSEE instruction, use a control signal to turn ON the Request for Start of Program
Operation.
The motion program is executed in the scan cycle, but unlike ladder programs, the entire pro-
gram is not executed in a single scan. Execution of motion programs is controlled by the sys-
tem.
You can also register the motion program in the M-EXECUTOR (Motion Executor) to call it. Refer
to the following section for details.
The M-EXECUTOR (page 4-26)
The following points must be taken into consideration when executing motion programs.
Motion programs that are registered in the M-EXECUTOR cannot be executed with MSEE
instructions.
More than one instance of the same motion program (i.e., the same program number) cannot
be executed with MSEE instructions.
Subprograms (MPS) cannot be executed with MSEE instructions in a ladder program.
You can call subprograms only from motion programs and motion subprograms (MPM
and MPS).
You cannot call the same subprogram more than once at the same time.
Sequence programs (SPM and SPS) cannot be called with MSEE instructions from
a ladder program for the CPU-03 or CPU-04.
Note
MSEE
MPM001
DWG.H
SEE
H01
DEND
DWG.H01
SEE H01.01
END
DEND
END
RET
END
DEND
MPM003
MPS101
DWG.H01.01
MPM001
MPM002
MSEE
MPM002
MSEE
MPM003
MSEE
MPS101
VEL [a1]5000 [b1]..
FMX T10000000;
IAC T25;
IDC T30;
MOV [a1]300. [b1]..
MVS [a1]200. [b1]..
.
.
.
Execution is started by the
system program when the
execution condition is met.
Grandchild drawing Motion programs
Subprogram
Child drawingParent drawing
Note

Table of Contents

Other manuals for YASKAWA MP3000 Series

Related product manuals