EasyManua.ls Logo

YASKAWA MP3000 Series - Using the MP3300

YASKAWA MP3000 Series
326 pages
Print Icon
To Next Page IconTo Next Page
To Next Page IconTo Next Page
To Previous Page IconTo Previous Page
To Previous Page IconTo Previous Page
Loading...
1.2 System Configuration Examples
1.2.2 Using the MP3300
1-7
1
System Configuration
1.2.2
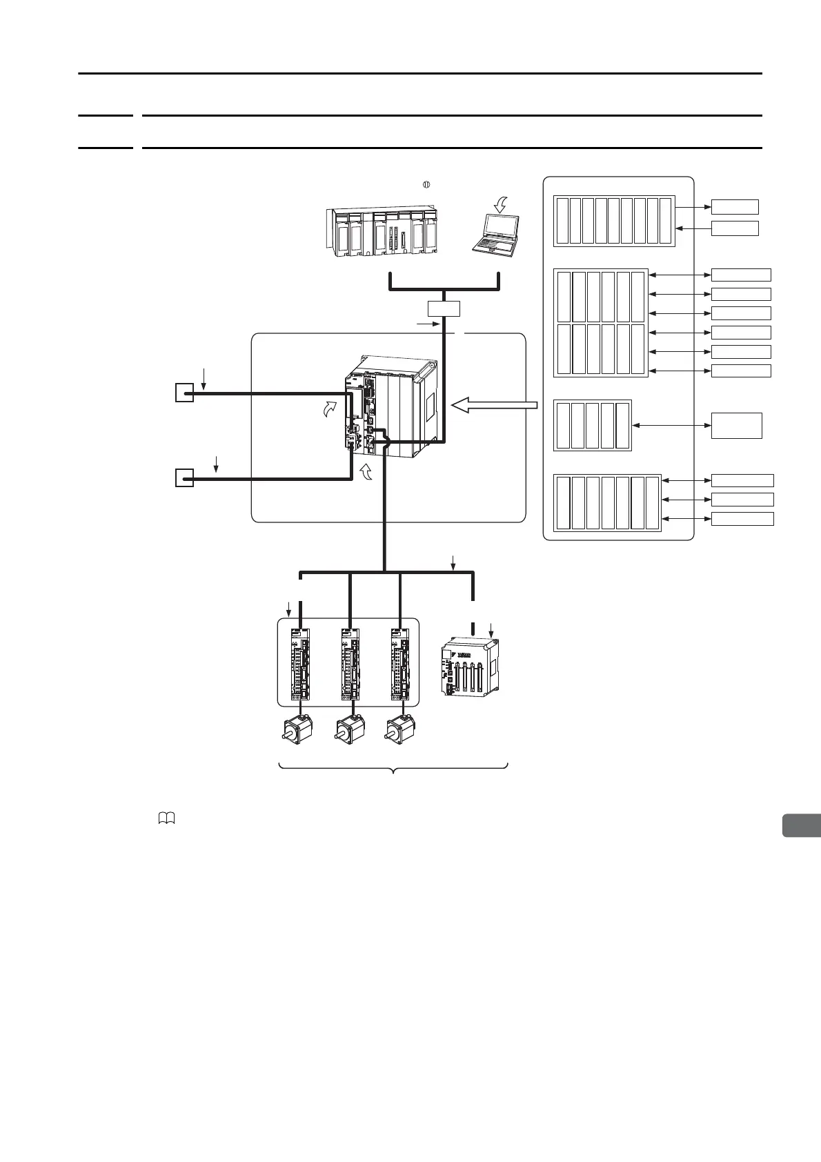
Using the MP3300
* Refer to the following manual for an MP3300 expansion example.
MP3000 Series MP3300 User’s Manual (Manual No.: SIEP C880725 21)
PC

Ethernet communications cables
266IF-02
217IF-01
218IF-01
218IF-02
260IF-01
261IF-01
263IF-01
264IF-01
265IF-01
266IF-01
Communications Modules
SVA-01
SVB-01
PO-01
SVC-01
MPU-01
Motion Modules
MPALL00-0
MPAL000-0
AFMP-01
MPANL00-0
AFMP-02-C/-CA
MPAN000-0
Other Modules (including those from
other manufacturers)
External outputs
External inputs
RS-232C
Ethernet
DeviceNet
PROFIBUS
RS422/485
SERVOPACK
AnyWire
A-net/A-link
I/O Modules
CC-Link
LIO-01
LIO-02
LIO-04
LIO-05
DO-01
LIO-06
AI-01
AO-01
CNTR-01

Optional Modules

Battery

MP3300

RLYOUT connector
cable

Front cover
for unused slot
MPE720 Integrated
Engineering Tool Version 7
24-VDC power supply,
AC power supply,
or status monitoring
device

Power cable
24-VDC power supply
or AC power supply
262IF-01
215AIF-01
MPCUNET-0
*
Up to 21 stations, including I/O (Up to 16 stations can be Servos.)
I/O
Servomotor
Servomotor
Servomotor

MECHATROLINK-III Cable

SERVOPACK with MECHATROLINK-III
Communications
MECHATROLINK-III

I/O Module with MECHATROLINK-III
Communications
HUB
215 Communications
Host PLC

Table of Contents

Other manuals for YASKAWA MP3000 Series

Related product manuals