EasyManua.ls Logo

YASKAWA MP3000 Series - System Configuration Examples; Using the MP3200

YASKAWA MP3000 Series
326 pages
Print Icon
To Next Page IconTo Next Page
To Next Page IconTo Next Page
To Previous Page IconTo Previous Page
To Previous Page IconTo Previous Page
Loading...
1.2 System Configuration Examples
1.2.1 Using the MP3200
1-6
1.2
System Configuration Examples
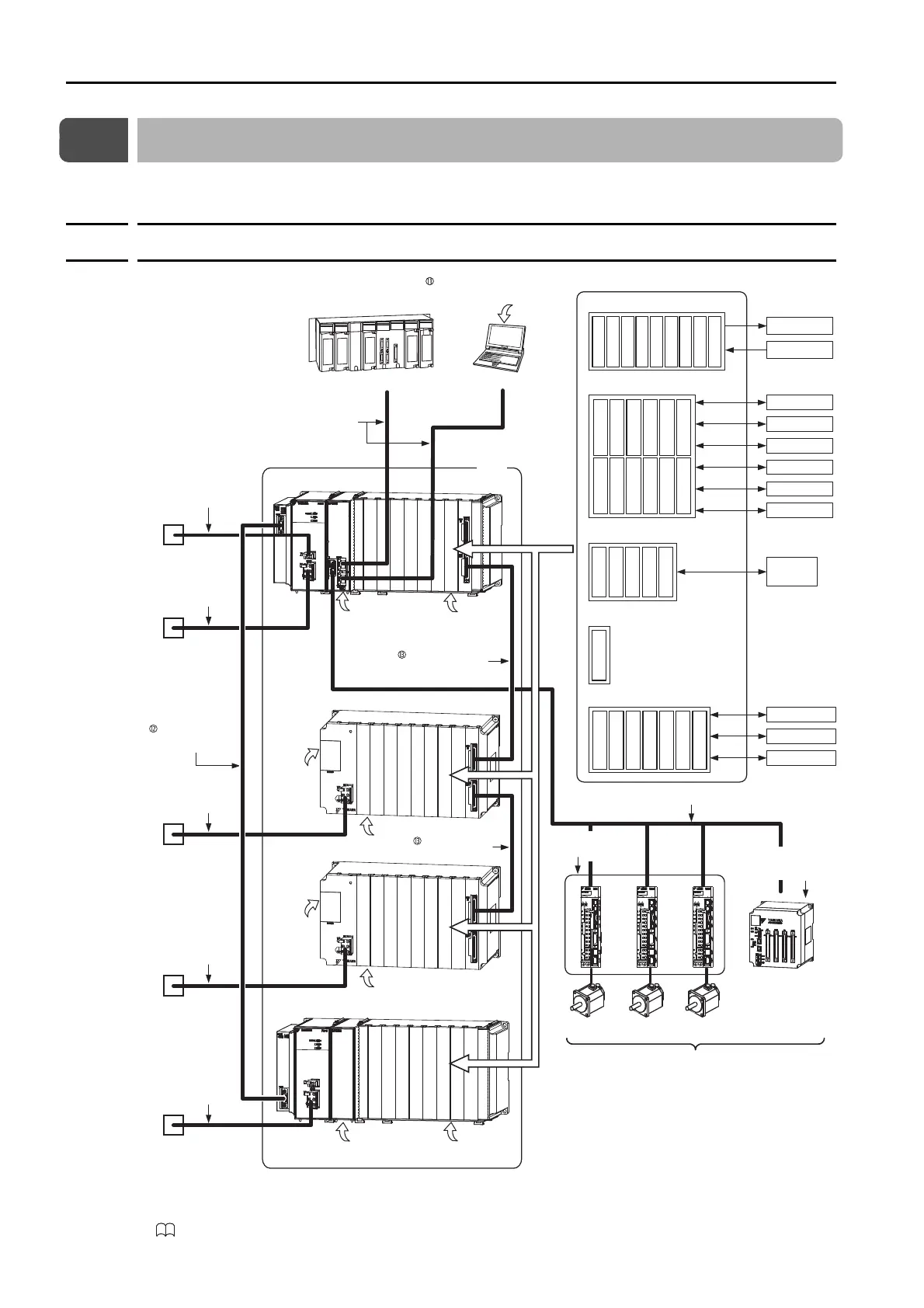
Configuration example of the MP3000 Series is provided below.
1.2.1
Using the MP3200
*1. You can expand the Main Rack by adding a Sub-CPU Module.
*2. Refer to the following manual for an MP3200 expansion example.
MP3000 Series MP3200 User’s Manual (Manual No.: SIEP C880725 10)
MP2200
MBU-02
PO
W
ER
DC
EXIO IF
MP220
0
MBU-02
PO
W
E
R
DC
EXI
O IF
EXIOIF
PC
Ethernet

Ethernet communications cables
Ethernet
266IF-02
217IF-01
218IF-01
218IF-02
260IF-01
261IF-01
263IF-01
264IF-01
265IF-01
266IF-01
SVA-01
SVB-01
PO-01
SVC-01
MPU-01
Motion Modules
EXIOIF
Expansion Rack Module
MPALL00-0
MPAL000-0
AFMP-01
MPANL00-0
AFMP-02-C/-CA
MPAN000-0
Other Modules
(including those from other manufacturers)
External outputs
External inputs
RS-232C
Ethernet
DeviceNet
PROFIBUS
RS422/485
215 communications
SERVOPACKs
AnyWire
A-net/A-link
CC-Link
Up to 42 stations, including I/O
(Up to 32 of the stations can be Servos.)
LIO-01
LIO-02
LIO-04
LIO-05
DO-01
LIO-06
AI-01
AO-01
CNTR-01
I/O
Servomotor
Servomotor
Servomotor

MP3200
EXIOIF Module
Cable
EXIOIF Module
Cable
MECHATROLINK-III
262IF-01
215AIF-01
MPCUNET-0
*1, *2
MPE720 Integrated Engineering
Tool Version 7

Optional Modules
Communications Modules

MECHATROLINK-III Cable
SERVOPACK with
MECHATROLINK-III
Communications

I/O Module with
MECHATROLINK-
III
Communications
I/O Modules
Host PLC
24-VDC power
supply, AC power
supply, or status
monitoring device

Power supply cable
24-VDC power
supply or AC
power supply

Battery

Front cover for
unused slot

RLYOUT
connector cable

Battery

Front cover for
unused slot

Battery

Front cover for
unused slot

Power supply cable

Power supply cable

Power supply cable
24-VDC power
supply or AC
power supply
24-VDC power
supply or AC
power supply
24-VDC power
supply or AC
power supply

Battery

Front cover for
unused slot
Rack Expansion
Interface Unit
Cable

Table of Contents

Other manuals for YASKAWA MP3000 Series

Related product manuals