EasyManua.ls Logo

YASKAWA MP3000 Series - Page 71

YASKAWA MP3000 Series
326 pages
To Next Page IconTo Next Page
To Next Page IconTo Next Page
To Previous Page IconTo Previous Page
To Previous Page IconTo Previous Page
Loading...
2.3 Connecting Devices
2.3.2 Connecting the Power Supply Connector
2-43
2
Installation and Connections
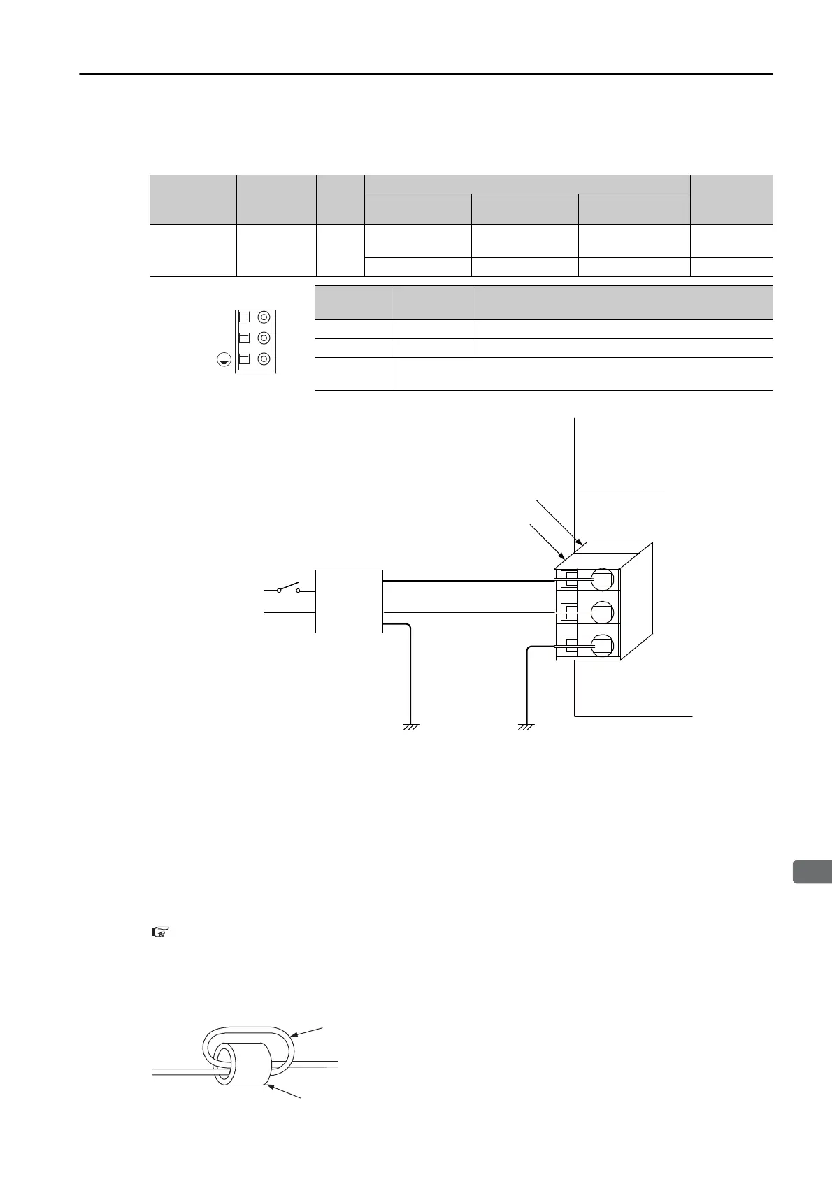
Cable for a 24-VDC Power Supply
The power supply for the Machine Controller is 24 VDC. Refer to the following figure for the
connection methods.
Note: Use an isolating 24-VDC power supply, and install the power supply switch on the AC side of the
power supply. If the switch is installed on the 24-VDC side, the inrush current may reach approx. 40
A when the power is turned ON.
Procedure to Make a 24-VDC Power Cable
The power supply pins are contained in a removable connector. Use the following procedure to
wire the power supply connector. Use a twisted-pair cable with a wire size of AWG28 to
AWG13 (0.08 to 2.6 mm
2
) to connect the 24-VDC power supply to the power supply connector
on the Controller.
The procedure to make the cable is the same as for the 100/200-VAC power supply cable.
Procedure to Make a 100/200-VAC Power Cable (page 2-42)
When Using the CPU-202 (Model: JEPMC-CP3202-E)
Wrap the power cable twice near the connector and install the ferrite core packaged with the
CPU-202.
Name
Connector
Label
Num-
ber of
pins
Connector Models
Remarks
Module Side Cable Side Manufacturer
Power
Connector
POWER 3
721-863 721-203/026
WAGO Company
of JAPAN
MP3200
4-2013519-3 4-2013522-3 TE Connectivity MP3300
Pin No.
Signal
Label
Description
3 24 VDC Power input wire for 24 VDC
2 0 VDC Power input wire for 0 VDC
1FG
Connects to the frame ground. (Ground to 100 Ω
max.)
24 VDC
0 VDC
POWER
0 V
POWER
FG
721-863 or
4-2013519-3
721-203/026 or
4-2013522-3
FG
24-VDC
power
supply
AC input
24 VDC
Machine Controller
Cable
Ferrite core

Table of Contents

Other manuals for YASKAWA MP3000 Series

Related product manuals