EasyManua.ls Logo

ABB ACS880-107

ABB ACS880-107
212 pages
To Next Page IconTo Next Page
To Next Page IconTo Next Page
To Previous Page IconTo Previous Page
To Previous Page IconTo Previous Page
Loading...
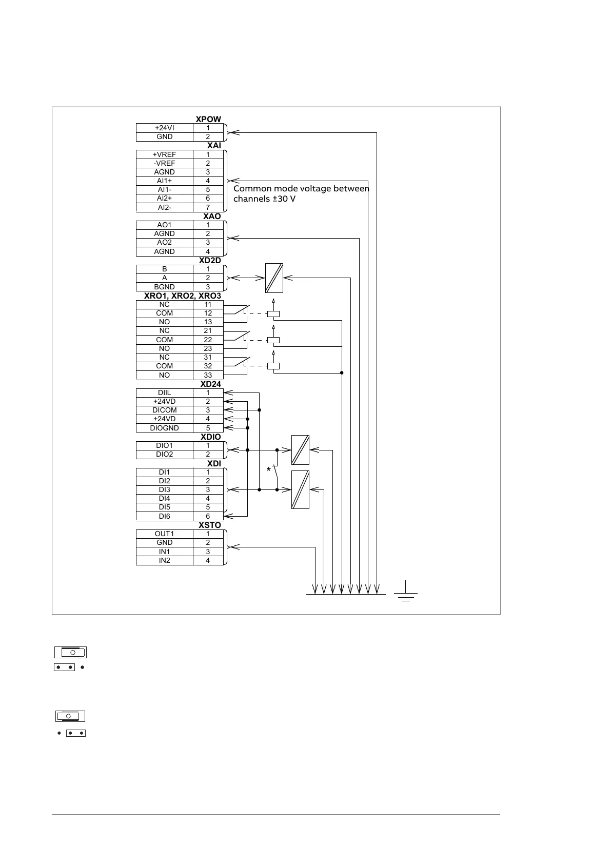
ZCU ground isolation diagram
XPOW
+24VI 1
GND 2
XAI
+VREF 1
-VREF 2
AGND 3
AI1+ 4
AI1- 5
AI2+ 6
AI2- 7
XAO
AO1 1
AGND 2
AO2 3
AGND 4
XD2D
B1
A2
BGND 3
XRO1, XRO2, XRO3
NC 11
COM 12
NO 13
NC 21
COM 22
NO 23
NC 31
COM 32
NO 33
XD24
DIIL 1
+24VD 2
DICOM 3
+24VD 4
DIOGND 5
XDIO
DIO1 1
DIO2 2
XDI
DI1 1
DI2 2
DI3 3
DI4 4
DI5 5
DI6 6
XSTO
OUT1 1
GND 2
IN1 3
IN2 4
*
Common mode voltage between
channels ±30 V
* Ground selector (J6) settings
(ZCU-12)
(ZCU-14)
All digital inputs share a common ground (DICOM connected to DIOGND). This is the default setting.
(ZCU-12)
(ZCU-14)
Ground of digital inputs DI1…DI5 and DIIL (DICOM) is isolated from DIO signal ground (DIOGND).
Isolation voltage 50 V.
96 Control units of the drive

Table of Contents

Related product manuals