EasyManua.ls Logo

AFM LX-150 - Lx150 N-J008 - 220 V

Default Icon
246 pages
Print Icon
To Next Page IconTo Next Page
To Next Page IconTo Next Page
To Previous Page IconTo Previous Page
To Previous Page IconTo Previous Page
Loading...
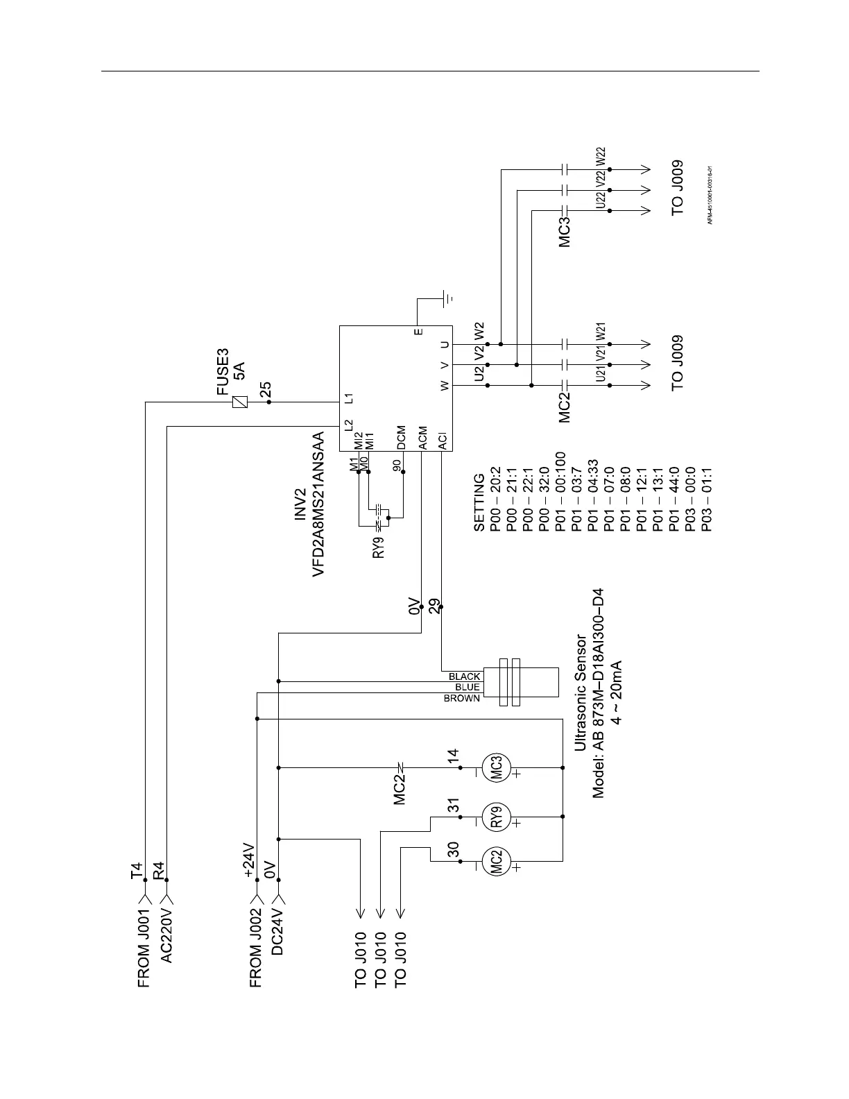
192 Electrical Schematics
4510001 REV B 220620
LX150N-J008 220V
UR1 Unwind Circuit

Table of Contents

Related product manuals