EasyManua.ls Logo

Buell 2007 LIGHTNING - Page 304

Buell 2007 LIGHTNING
661 pages
Print Icon
To Next Page IconTo Next Page
To Next Page IconTo Next Page
To Previous Page IconTo Previous Page
To Previous Page IconTo Previous Page
Loading...
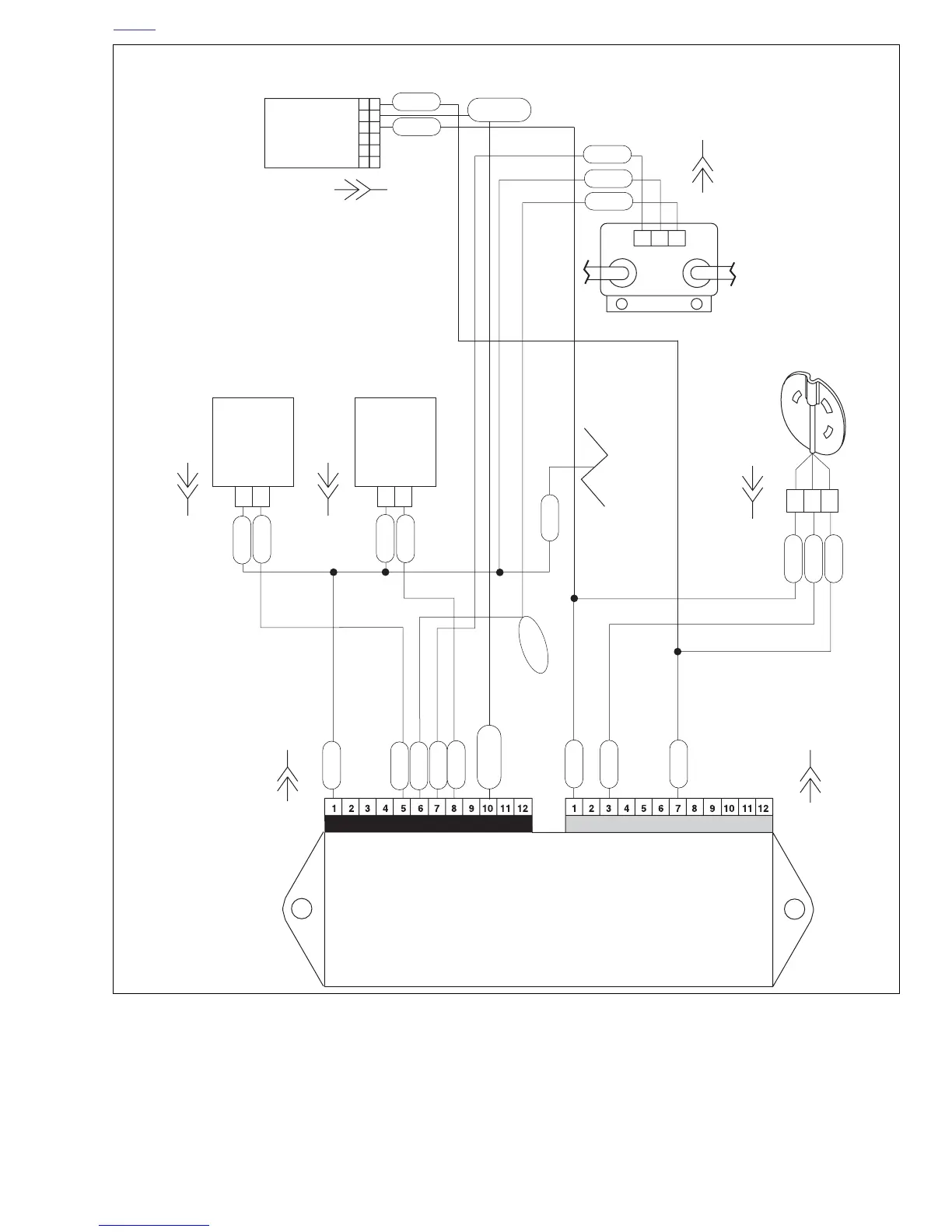
2007 Buell Lightning: Fuel System 4-25
HOME
Figure 4-22. Ignition Circuit
1
2
3
4
5
6
1
2
3
4
5
6
Front
Injector
Ignition Coil
W/Y
GN/W
BK/W
R/W
Electronic Control Module
(ECM)
GY
Cam Position
Sensor
A
BK/W
Y/BE
GY
BE/O
GN/GY
B
C
A
A
A
CB
B
B
To Rear
Cylinder
To Front
Cylinder
GN/W
R/W
Rear
Injector
GY
To
Ignition
Relay
Y/BE
GY
BE/O
GY
GN/GY
Dyno
Loop
b1071a4x
W/Y
LT.GN/GY
Bank Angle
Sensor
LT.GN/GY
R/W
BK/W
[134A] [134B]
[83A]
[10A]
[11A]
[84A]
[84B]
[85B]
[85A]
[14B]
[14A]
[83B]
[10B] [11B]
Connector Connector

Table of Contents

Related product manuals