EasyManua.ls Logo

Delta VFD-E - D.3.4 the Example for Designing Basic Program; Start, Stop and Latching

Delta VFD-E
395 pages
Print Icon
To Next Page IconTo Next Page
To Next Page IconTo Next Page
To Previous Page IconTo Previous Page
To Previous Page IconTo Previous Page
Loading...
Appendix D How to Use PLC Function|
Revision Jan. 2009, 06EE, SW--PW V1.12/CTL V2.12 D-13
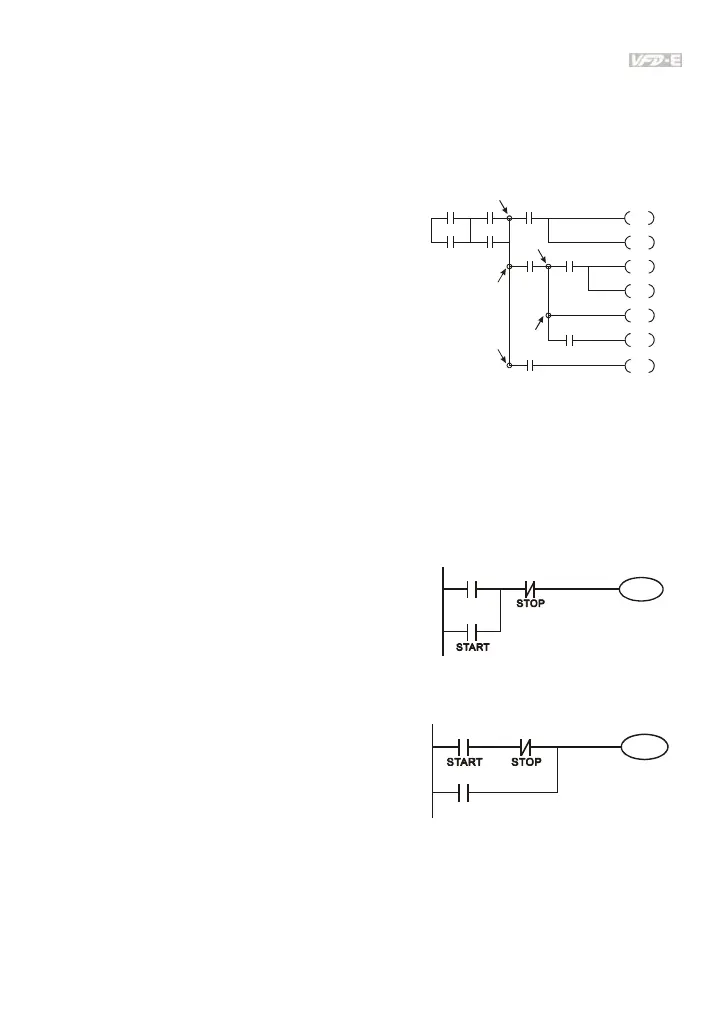
on analyzing other ladder diagram. You can recognize the command MRD by the symbol
”.
9. MPP command is used to read the start status of the top level and pop it out from stack.
Because it is the last item of the horizontal line, it means the status of this horizontal line
is ending.
You can recognize this command by the symbol
”. Basically, that is all right to use the above
method to analyze but sometimes compiler will
omit the same outputs as shown at the right.
MPS
MRD
MPP
MPP
MPS
D.3.4 The Example for Designing Basic Program
Start, Stop and Latching
In the same occasions, it needs transient close button and transient open button to be start
and stop switch. Therefore, if you want to keep the action, you should design latching circuit.
There are several latching circuits in the following:
Example 1: the latching circuit for priority of stop
When start normally open contact X1=On, stop
normally contact X2Off, and Y1=On are set at
the same time, if X2=On, the coil Y1 will stop
acting. Therefore, it calls priority of stop.
X2
Y1
X1
Y1
Example 2: the latching circuit for priority of start
When start normally open contact X1=On, stop
normally contact X2Off and Y1=On (coil Y1 will
be active and latching) are valid at the same time, if
X2=On, coil Y1 will be active due to latched
contact. Therefore, it calls priority of start.
X2
Y1
X1
Y1

Table of Contents

Related product manuals