EasyManua.ls Logo

Dodge Intrepid - Page 799

Dodge Intrepid
1050 pages
Print Icon
To Next Page IconTo Next Page
To Next Page IconTo Next Page
To Previous Page IconTo Previous Page
To Previous Page IconTo Previous Page
Loading...
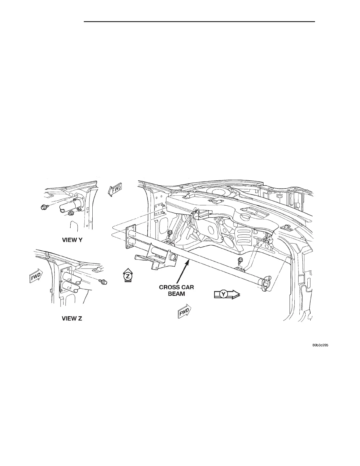
CROSS CAR BEAM
REMOVAL
(1) Remove steering column and instrument panel
from vehicle.
(2) Remove fasteners attaching cross car beam to
plenum in both locations (Fig. 5).
(3) Remove left side fasteners attaching the cross
car beam to cowl side panel.
(4) Remove right side fasteners attaching the cross
car beam to cowl side panel.
(5) Remove cross car beam from vehicle.
INSTALLATION
(1) Place cross car beam in position in vehicle.
(2) Install right side fasteners attaching the cross
car beam to cowl side panels.
(3) Install left side fasteners attaching the cross
car beam to cowl side panels.
(4) Install fasteners to plenum in both locations.
(5) Install steering column and instrument panel.
Fig. 5 CROSS CAR BEAM
23 - 62 INTERIOR LH

Table of Contents

Other manuals for Dodge Intrepid

Related product manuals