EasyManua.ls Logo

Dodge Intrepid - Page 911

Dodge Intrepid
1050 pages
Print Icon
To Next Page IconTo Next Page
To Next Page IconTo Next Page
To Previous Page IconTo Previous Page
To Previous Page IconTo Previous Page
Loading...
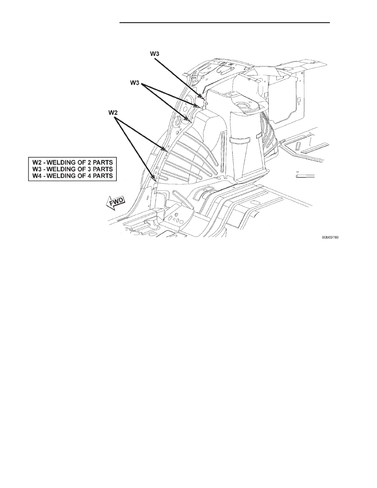
Fig. 59 BODY SIDE APERTURE
23 - 174 BODY STRUCTURE LH
WELD LOCATIONS (Continued)

Table of Contents

Other manuals for Dodge Intrepid

Related product manuals