EasyManua.ls Logo

Dodge Intrepid - Page 919

Dodge Intrepid
1050 pages
Print Icon
To Next Page IconTo Next Page
To Next Page IconTo Next Page
To Previous Page IconTo Previous Page
To Previous Page IconTo Previous Page
Loading...
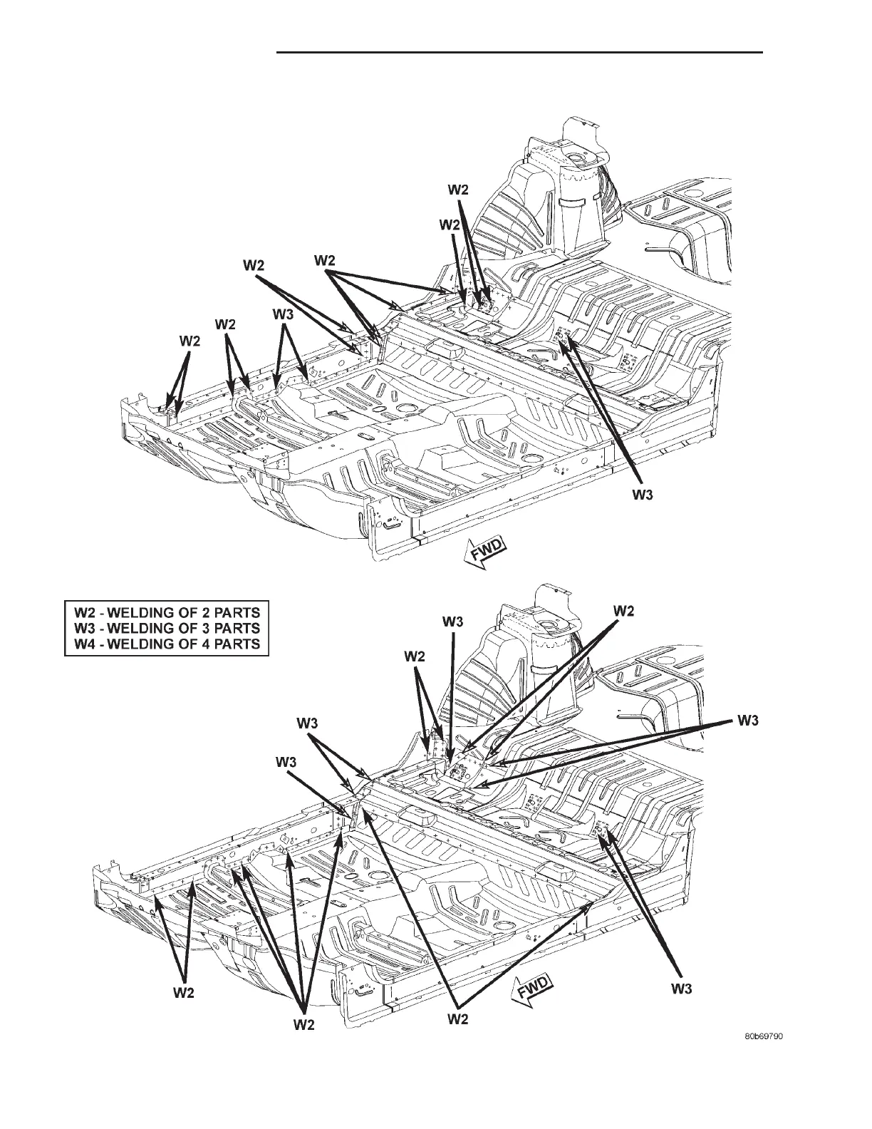
Fig. 67 FLOOR PAN
23 - 182 BODY STRUCTURE LH
WELD LOCATIONS (Continued)

Table of Contents

Other manuals for Dodge Intrepid

Related product manuals