EasyManua.ls Logo

Epson C Series - Page 286

Epson C Series
668 pages
Print Icon
To Next Page IconTo Next Page
To Next Page IconTo Next Page
To Previous Page IconTo Previous Page
To Previous Page IconTo Previous Page
Loading...
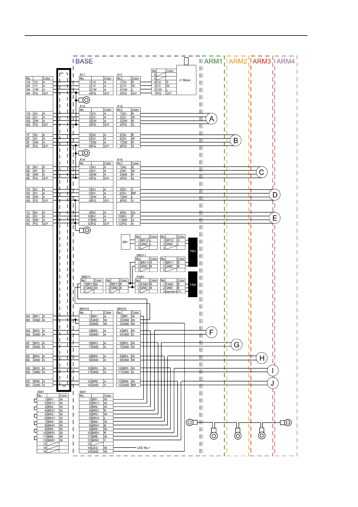
C8 Maintenance 4. Cable Unit
266 C Series Maintenance Manual Rev.2
C8-A1401*** (C8XL)

Table of Contents

Related product manuals