EasyManua.ls Logo

Gilera Fuoco 500 - Inspecting the Injector Circuit

Gilera Fuoco 500
396 pages
Print Icon
To Next Page IconTo Next Page
To Next Page IconTo Next Page
To Previous Page IconTo Previous Page
To Previous Page IconTo Previous Page
Loading...
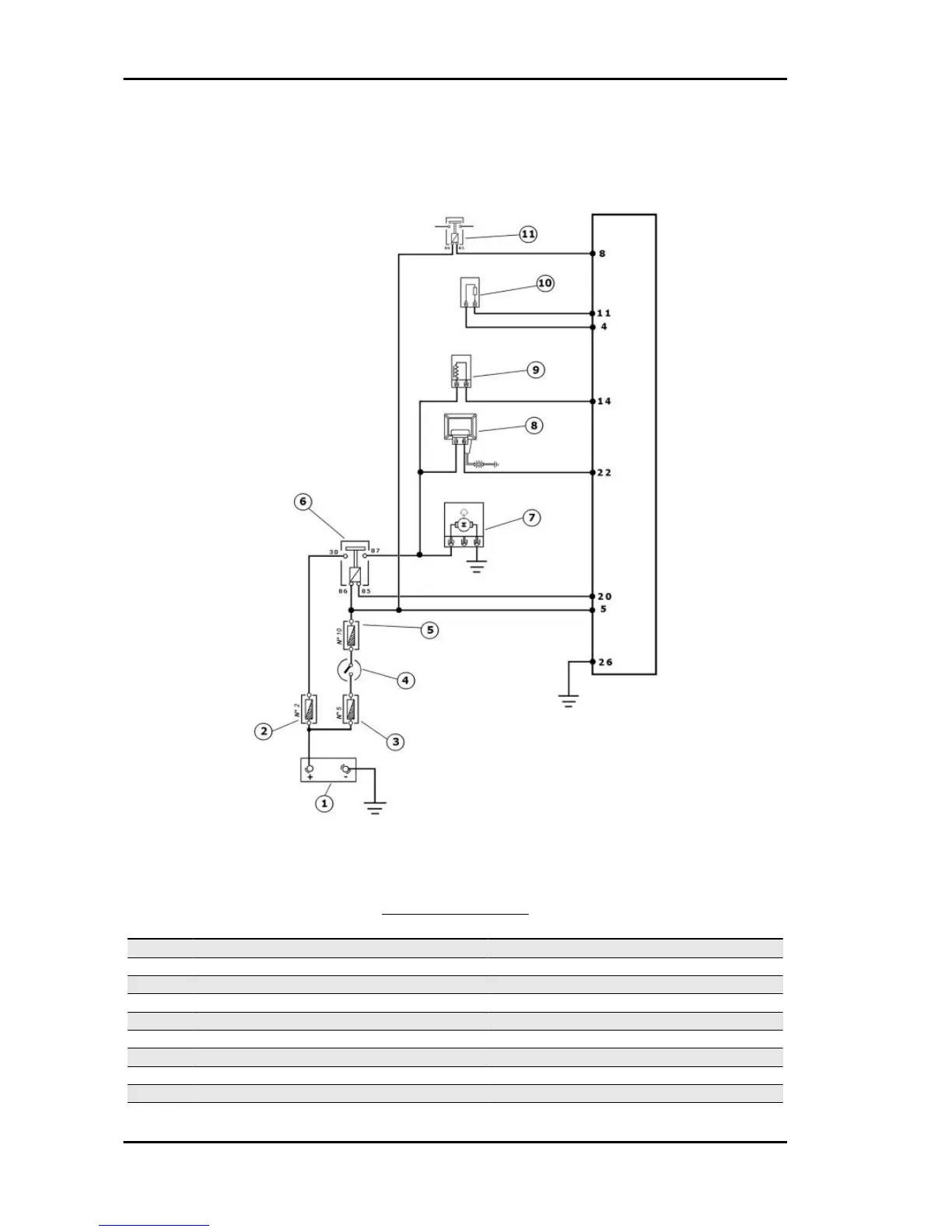
Inspecting the injector circuit
INJECTION LOADS
Specification Desc./Quantity
1 Battery 12V - 12 Ah
2 Fuse 15A
3 Fuse 20A
4 Key switch contacts
5 Fuse 7.5 A
6 Injection load remote control
7 Fuel pump
8 HV coil
9 Fuel injector
10 Lambda sensor
Injection Fuoco 500 i.e.
INJEC - 22

Table of Contents

Related product manuals