EasyManua.ls Logo

Honeywell 5704 - Page 103

Honeywell 5704
191 pages
Print Icon
To Next Page IconTo Next Page
To Next Page IconTo Next Page
To Previous Page IconTo Previous Page
To Previous Page IconTo Previous Page
Loading...
4-40
MAN0448_Issue 13_01-2010 5704 Control System
005704-M-5001 A03249
CHAPTER 4 - INSTALLATION INSTRUCTIONS
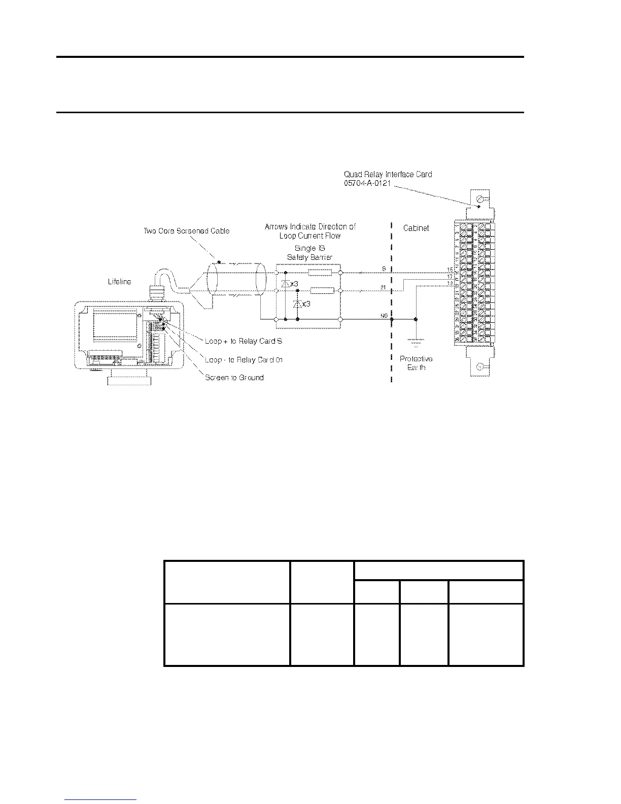
If the measuring resistance is in the negative supply line, a double
safety barrier must be used.
Note 1: *To ensure that the input circuit is properly referred to the safety
barrier it is necessary to connect the isolated 0V to the barrier
ground.
2: The above diagram shows the sensor connections for Channel
1. The connections for Channels 2, 3 and 4 are similar and
their pin connection numbers are shown below:
Channel Sensor Connection
S 01 0V
Quad Relay 1 15 17 19
Interface Connections 2 16 18 20
3 21 23 25
4 22 24 26
IS Lifeline Sensor With Double Safety Barrier

Table of Contents

Related product manuals