EasyManua.ls Logo

HP 5340A - Page 244

HP 5340A
279 pages
Print Icon
To Next Page IconTo Next Page
To Next Page IconTo Next Page
To Previous Page IconTo Previous Page
To Previous Page IconTo Previous Page
Loading...
Model 534QA
Schematic Diagrams
41
T
U13 U14
INVERTER INVERTER
t
t
Part
of
Figure 8
-
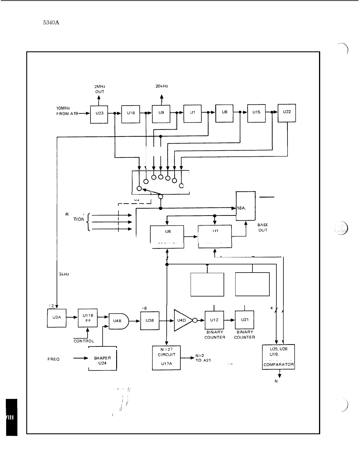
27. A20 Time Base Assembly
2MHz
lOMHz
:2
I-
R
ESOL U
-
TlON
FROM A27
2OkHz
OUT
t
gijj
I I
13-I
11111
CONTROL
u2
4
FROM A21
I
r---A
U5,
11 A,
b
18A. 186
PRESET
-
+TO A22. A21
I
TIME
A
___t_)
-
PRESET PRESET
COUNTER COUNTER
L
5kHz
PULSE
HARMONIC
FREQ
+
SHAPER
FROM A14
I
u24
I
4
u19. u20
NUMERICAL
RANGE
A6
f
N
OK
TO
A2 1
8
-
52

Table of Contents

Other manuals for HP 5340A

Related product manuals