EasyManua.ls Logo

HP 5340A - Page 253

HP 5340A
279 pages
Print Icon
To Next Page IconTo Next Page
To Next Page IconTo Next Page
To Previous Page IconTo Previous Page
To Previous Page IconTo Previous Page
Loading...
I
-
.I
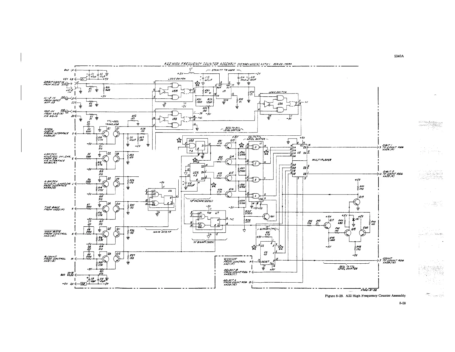
Model 5340A
Schematic Diagrams
-
-
1
I
I
I

Table of Contents

Other manuals for HP 5340A

Related product manuals