EasyManua.ls Logo

HP 5340A - Page 276

HP 5340A
279 pages
Print Icon
To Next Page IconTo Next Page
To Next Page IconTo Next Page
To Previous Page IconTo Previous Page
To Previous Page IconTo Previous Page
Loading...
Model 5340A
Schematic Diagram?
1
Part
of
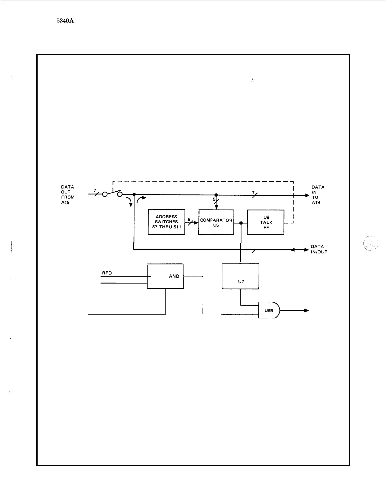
Figure 8
-
36. A34 Bus Communicator Assembly,
A35 Connector Assembly
(Part
of
Option
011)
7,
DATA
/
1
7
INIOUT
DAV
HANDSHAKE
.
RFD
LINES
{
-
-
LISTEN
DELAY
AN0
FF
u7
LOGIC
P
8
-
78
MRE
LOAD
b
TO

Table of Contents

Other manuals for HP 5340A

Related product manuals