EasyManua.ls Logo

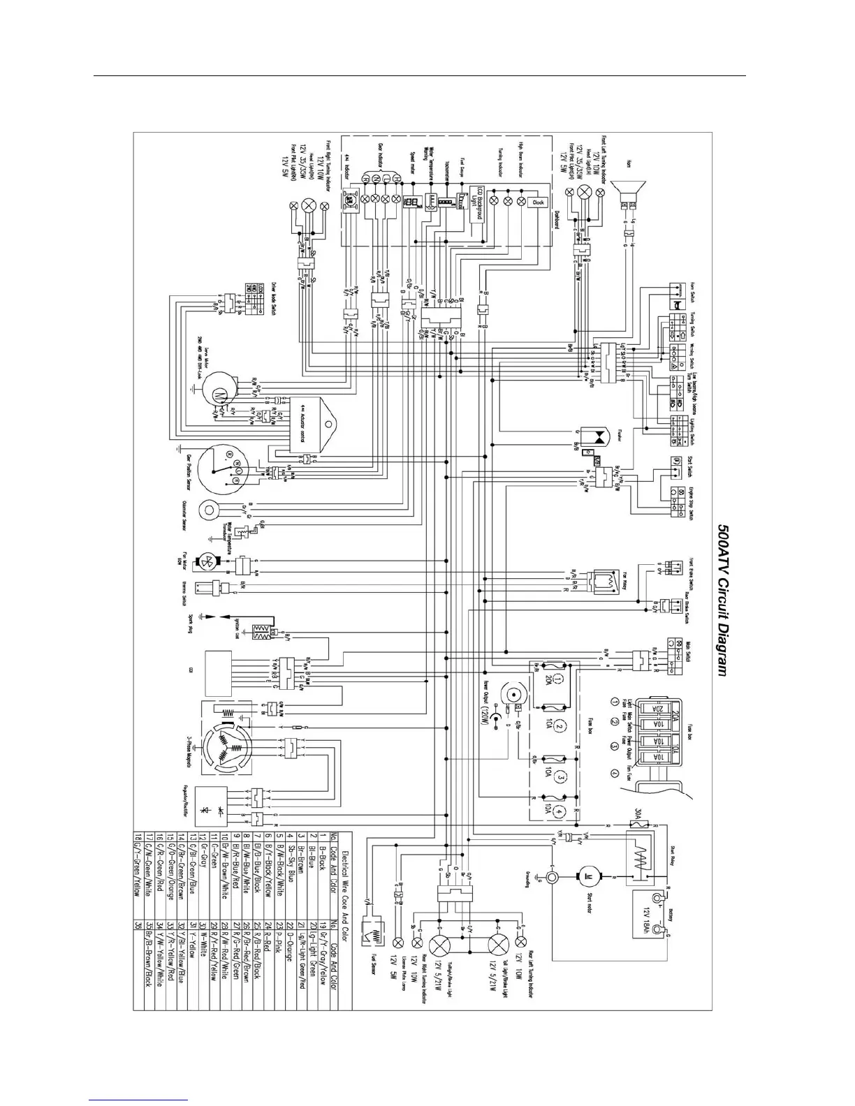
KEEWAY 500ATV - 500 ATV Circuit Diagram.

KEEWAY 500ATV
218 pages
Print Icon
To Next Page IconTo Next Page
To Next Page IconTo Next Page
To Previous Page IconTo Previous Page
To Previous Page IconTo Previous Page
Loading...
13. Lighting, Instruments, Sw
itches
13-12
500ATV Circuit Diagram
.

Table of Contents