EasyManua.ls Logo

Kollmorgen S700

Kollmorgen S700
166 pages
To Next Page IconTo Next Page
To Next Page IconTo Next Page
To Previous Page IconTo Previous Page
To Previous Page IconTo Previous Page
Loading...
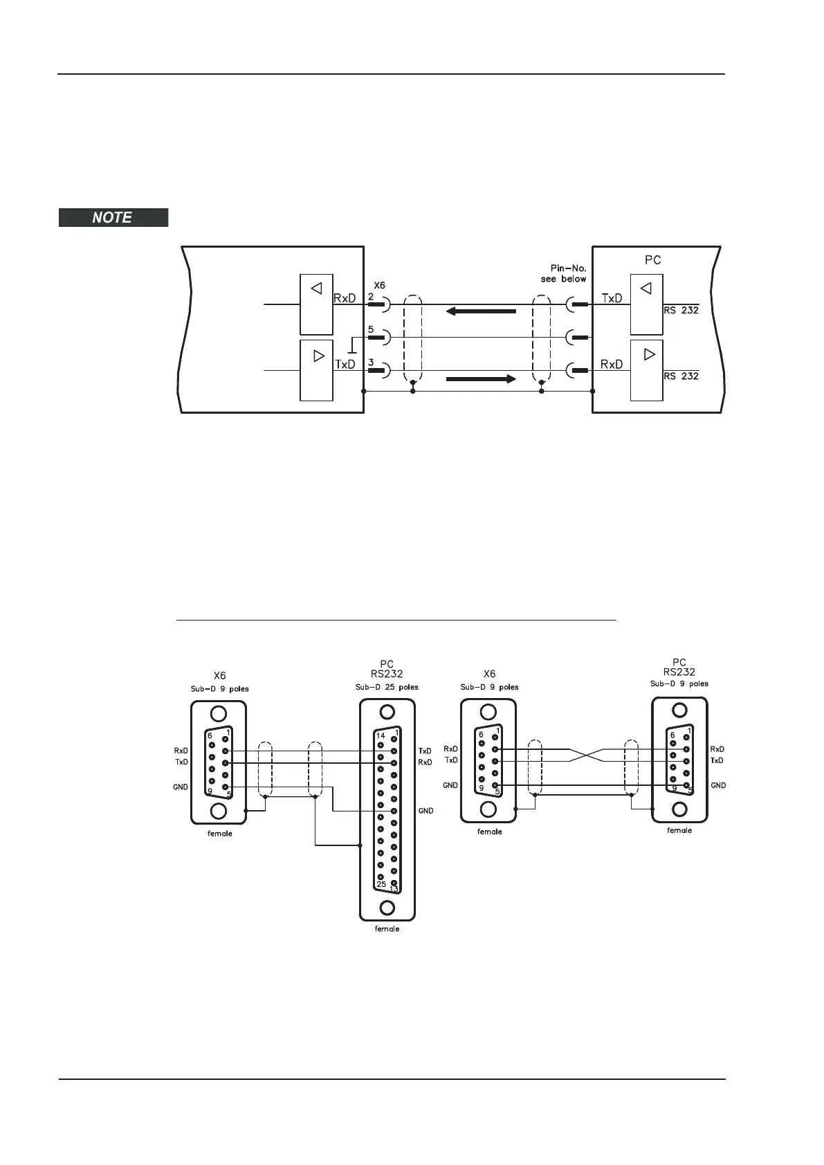
7.16 RS232 interface, PC connection (X6)
Operating, position control, and motion-block parameters can be set up by using the
setup software on an ordinary commercial PC (see p.109).
Connect the PC interface (X6) of the servo amplifier to a serial interface on the PC, while
the power supply to the equipment is switched off.
Do not use a null-modem power link cable!
This interface has the same electrical potential as the CANopen interface.
The interface is selected and set up in the setup software.
Further notes on page 108.
With the optional expansion module -2CAN- the two interfaces for RS232 and CAN,
which otherwise use the same connector X6, are separated onto two connectors
ð p.139).
Interface cable between the PC and servo amplifiers of the
S700 series:
(View : looking at the solder side of the SubD sockets on the cable)
102 S701x2-S724x2 Instructions Manual
Electrical installation 07/2014 Kollmorgen
S700

Table of Contents

Other manuals for Kollmorgen S700

Related product manuals