EasyManua.ls Logo

Kollmorgen S700

Kollmorgen S700
166 pages
To Next Page IconTo Next Page
To Next Page IconTo Next Page
To Previous Page IconTo Previous Page
To Previous Page IconTo Previous Page
Loading...
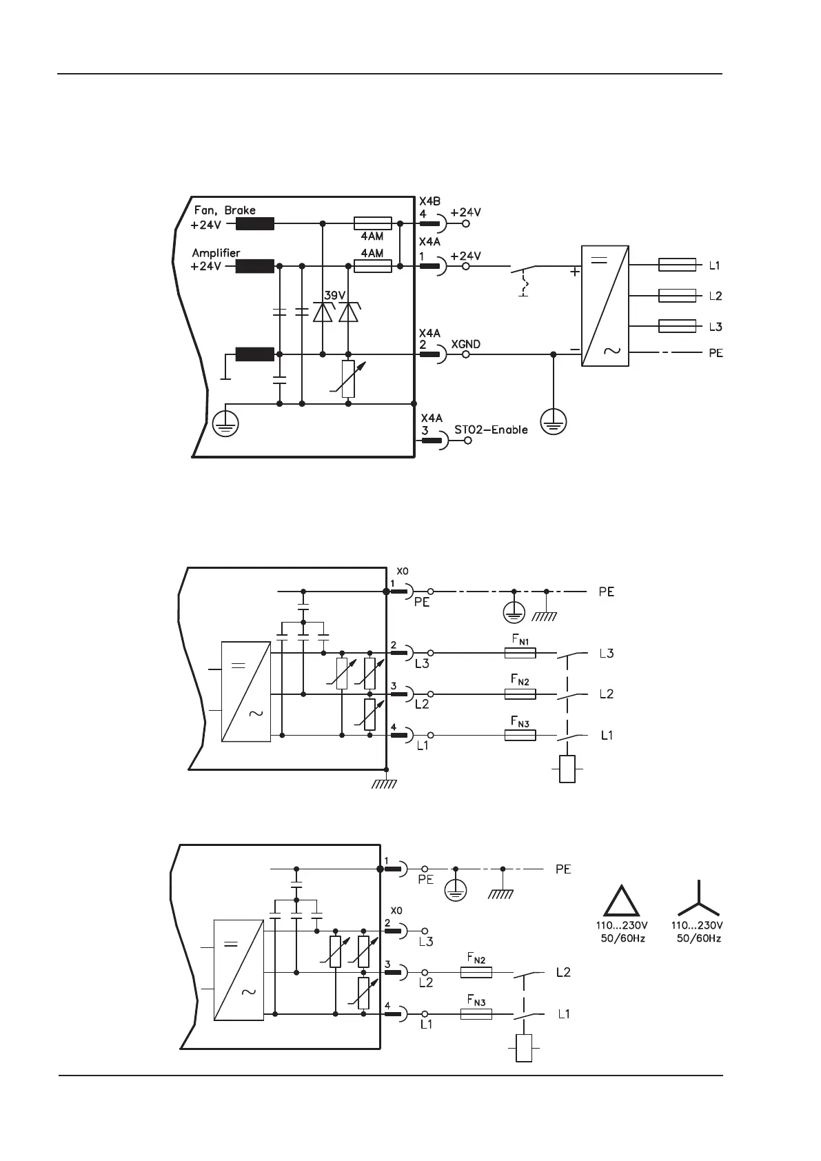
7.8.2 24V auxiliary supply (X4)
External 24V DC power supply, electrically isolated, e.g. via an isolating transformer
Required current rating ð p.28
Integrated EMC filter for the 24V auxiliary supply
7.8.3 Mains supply connection (X0), three phase
Directly to 3-phase supply network, filter is integrated, supply networks ð p.66
Fusing (e.g. fusible cut-outs) to be provided by the user ð p.30
7.8.4 Mains supply connection (X0), two phase without neutral
68 S701x2-S724x2 Instructions Manual
Electrical installation 07/2014 Kollmorgen
S700
S7xx0 and S7xx6
S7xx6

Table of Contents

Other manuals for Kollmorgen S700

Related product manuals