EasyManua.ls Logo

Kollmorgen S700

Kollmorgen S700
166 pages
To Next Page IconTo Next Page
To Next Page IconTo Next Page
To Previous Page IconTo Previous Page
To Previous Page IconTo Previous Page
Loading...
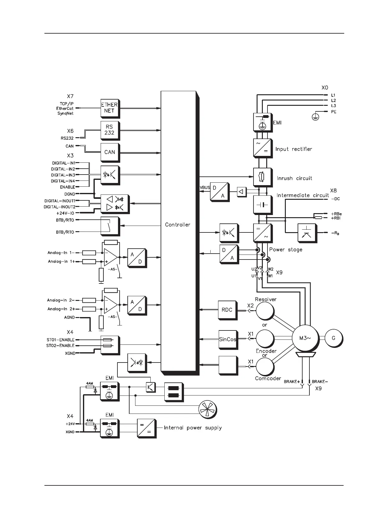
7.5 Block diagram
The block diagram below just provides an overview.
S701x2-S724x2 Instructions Manual 63
Kollmorgen 07/2014 Electrical installation

Table of Contents

Other manuals for Kollmorgen S700

Related product manuals