EasyManua.ls Logo

Kollmorgen S700

Kollmorgen S700
166 pages
To Next Page IconTo Next Page
To Next Page IconTo Next Page
To Previous Page IconTo Previous Page
To Previous Page IconTo Previous Page
Loading...
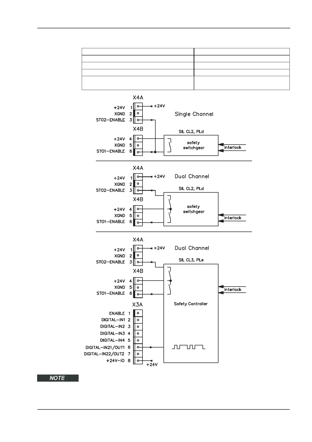
5.9.7 Technical data and pinning
STO1-Enable and STO2-Enable Data
Input voltage
20V..30V
Input current
33mA 40mA (Ieff)
Peak current
100mA (Is)
Response time (falling edge at STO input
until energy supply to motor is interrupted)
STO1: 1ms
STO2: 2ms
To achieve PLe / SIL CL3, the safe switching of the pulse inhibitor must be tested periodi
-
cally by analyzing the status signal from a safety control. Therefore the status must be lin
-
ked to one of the digital outputs DIGITAL-OUT1 or 2 (X3A/6 or X3A/7) with the ASCII
command OxMODE70.
S701x2-S724x2 Instructions Manual 43
Kollmorgen 07/2014 Technical description

Table of Contents

Other manuals for Kollmorgen S700

Related product manuals