EasyManua.ls Logo

Kollmorgen S700

Kollmorgen S700
166 pages
To Next Page IconTo Next Page
To Next Page IconTo Next Page
To Previous Page IconTo Previous Page
To Previous Page IconTo Previous Page
Loading...
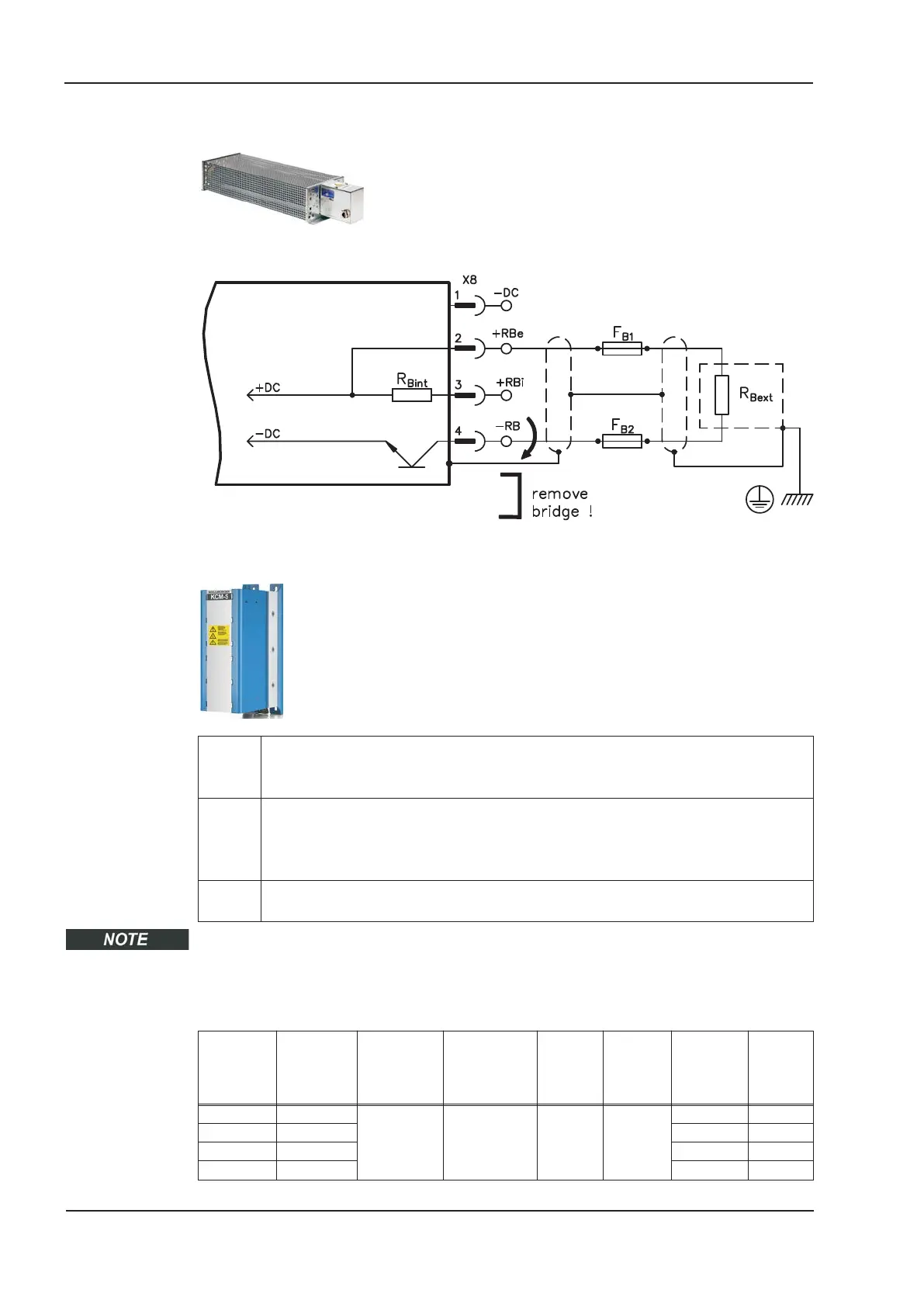
7.9.2 External brake resistor (X8)
Remove the plug-in link between the terminals X8/4 (-RB) and
X8/3 (+Rbi). Fuse types see p. 30. Information for brake circuit
and technical data can be found on page 33. Use the optional
Y-connector X8Y (set with X4Amini for better assembly, see
order numbers on p.161), if you want to link the DC bus with
other S700 servo amplifiers. A wiring example with Y-connectors can be found on p.70.
7.9.3 Capacitor Module KCM (X8)
KCM modules (KOLLMORGEN Capacitor Modules) absorb energy gener-
ated by the motor when it is operating in generator mode. Normally, this
energy is dissipated as waste via brake resistors. KCM modules, howe-
ver, feed the energy they have stored back into the DC Bus link as and
when it is required.
Dimensions (HxWxD) : 300x100x201 mm
KCM-S Saves energy: The energy stored in the capacitor module during regenerative
braking is available the next time acceleration happens. The module’s inception
voltage is calculated automatically during the first load cycles.
KCM-P Power in spite of power failure: If the power supply fails, the module provides
the servo amplifier with the stored energy that is required to bring the drive to a
standstill in a controlled manner (this only applies to the power supply voltage;
battery-back the 24 V supply separately).
KCM-E Expansion module for both applications. Expansion modules are available in
two capacitance classes.
The KCM modules can be connected to S7010 ... S7240 devices (mains supply voltage
400/480V, rated current max. 24A). Information for mounting, installation and setup can
be found in the KCM Instructions Manual.
Technical Data of KCM Modules
Storage
capacity
Rated
supply
voltage
Peak supply
voltage
Power
Protec
-
tion
class
Inception
voltage
Weight
Type [Ws] [V DC] [V DC] [kW] [V DC] [kg]
KCM-S200 1600
max.
850 VDC
max.
950 VDC
(30s in 6min)
18 IP20
evaluated 6,9
KCM-P200 2000 470 VDC 6,9
KCM-E200 2000 - 4,1
KCM-E400 4000 - 6,2
72 S701x2-S724x2 Instructions Manual
Electrical installation 07/2014 Kollmorgen
S700

Table of Contents

Other manuals for Kollmorgen S700

Related product manuals