EasyManua.ls Logo

Kollmorgen S700

Kollmorgen S700
166 pages
To Next Page IconTo Next Page
To Next Page IconTo Next Page
To Previous Page IconTo Previous Page
To Previous Page IconTo Previous Page
Loading...
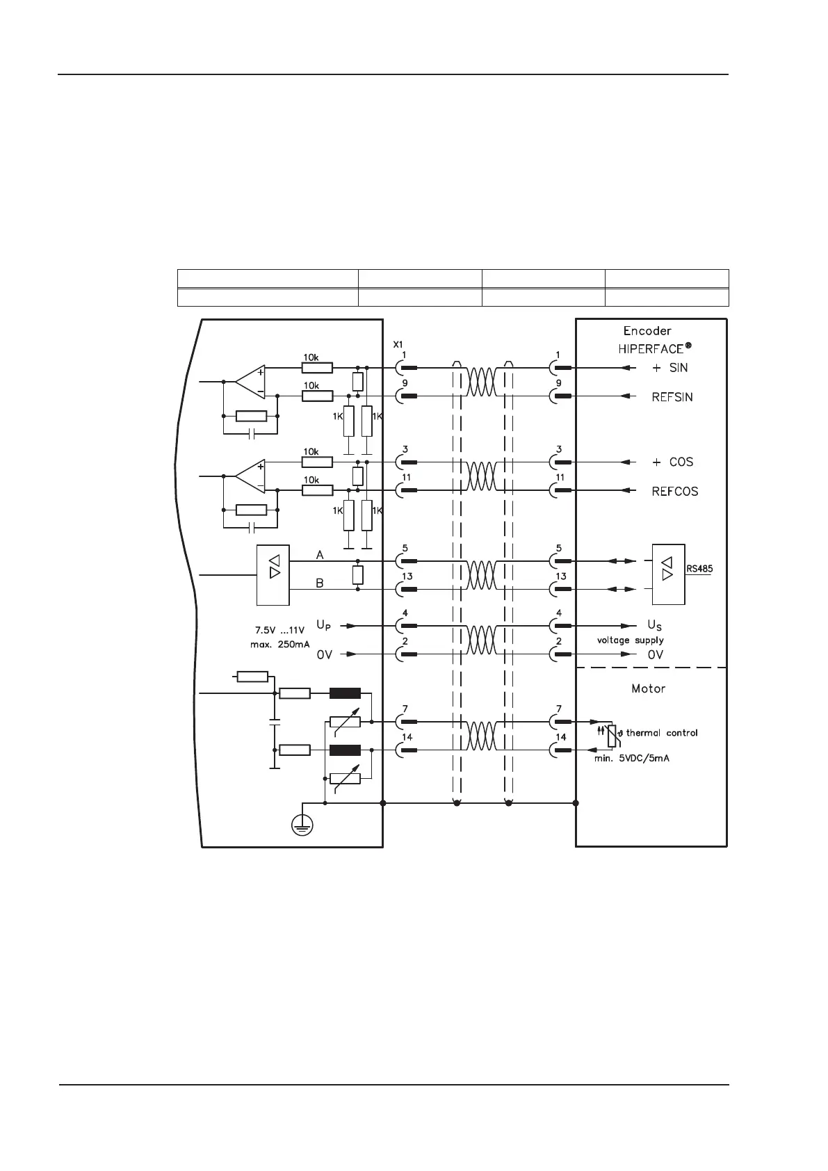
7.12.6 Sine Encoder with HIPERFACE (X1)
Wiring of a single-turn or multi-turn sine-cosine encoder with HIPERFACE interface as a
feedback system (primary and secondary, ð p.76).
The thermal control in the motor is connected via the encoder cable to X1 and evaluated
there. All signals are connected using our pre-assembled encoder connection cable.
If cable lengths of more than 50m are planned, please consult our customer service.
Frequency limit (sin, cos): 350 kHz
Type FBTYPE EXTPOS GEARMODE
HIPERFACE 2 9 9
The pin assignment shown on the encoder side relates to the Kollmorgen motors.
82 S701x2-S724x2 Instructions Manual
Electrical installation 07/2014 Kollmorgen
S700
SubD15
17pol.rund

Table of Contents

Other manuals for Kollmorgen S700

Related product manuals