EasyManua.ls Logo

Lighthouse a65 - Radar Connection

Lighthouse a65
460 pages
Print Icon
To Next Page IconTo Next Page
To Next Page IconTo Next Page
To Previous Page IconTo Previous Page
To Previous Page IconTo Previous Page
Loading...
4.8Radarconnection
Themultifunctiondisplayiscompatiblewith
RaymarineNon-HDdigitalradomesandHD/
SuperHDradarscanners.Thescannerisconnected
usingoverSeaT alk
hs
.
Note:
NewcSeriesandNeweSeriesdisplays
(excludingthee7ande7D)canconnect2
SeaTalk
hs
/RayNetdevicesdirectlytothe
display.
NewaSeriesandthee7/e7Ddisplayscan
connect1SeaT alk
hs
/RayNetdevicedirectlyto
thedisplay.
TheradarisusuallyconnectedviaaRaymarine
networkswitch.Onsmallersystems(withonlyone
displayandnootherdigitaldevices)theradarmay
beconnectedtothedisplaydirectly.
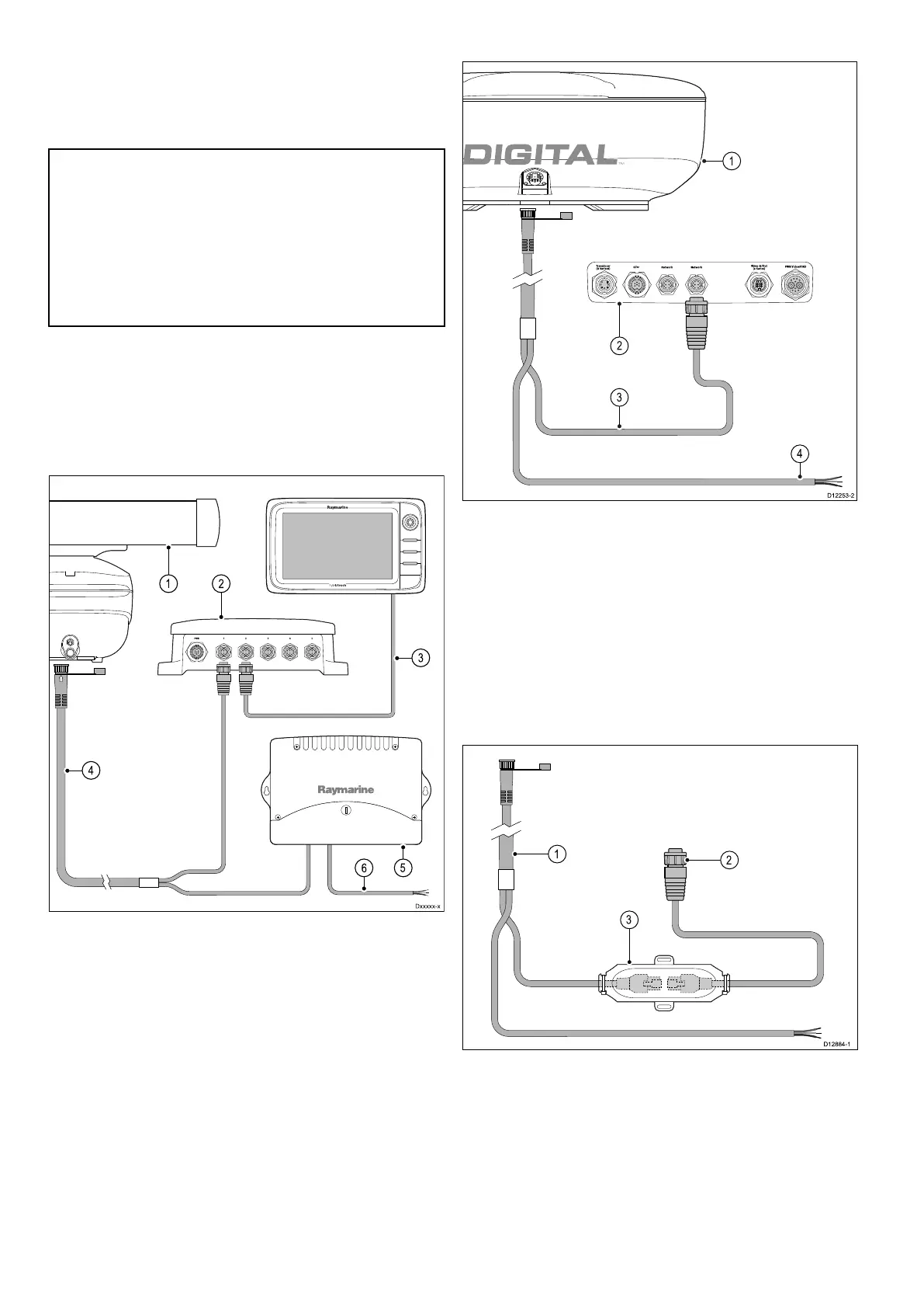
RadarconnectedusingRaymarinenetwork
switch
Dxxxxx-x
3
4
2
1
5
6
1.Radarscanner.
2.Raymarinenetworkswitch.
3.RayNetcable.
4.RayNetradarcable.
5.VCM(VoltageConverterModule)required
forOpenArrays.
6.Powerconnection.
Radarconnecteddirectlytothedisplay
D12253-2
2
4
3
1
1.Radarscanner
2.Multifunctiondisplayrearconnectorpanel.
3.RayNetRadarcable.
4.ConnectiontopowersupplyOpenarray
scannersrequireaVCM(VoltageConverter
Module).
RJ45SeaTalk
hs
Radarcableconnection
ToconnectaRadarusinganRJ45SeaTalk
hs
radar
cableadditionalaccessoriesarerequired.
1
2
3
D12884-1
1.RJ45SeaTalk
hs
Radarcable.
2.RayNettoRJ45SeaTalk
hs
adaptorcable.
3.SeaT alk
hs
crossovercoupler.
Radarcableextension
Forlongercablerunsaradarpoweranddatadigitalcableextensionisrequired.
60aSeries/cSeries/eSeries

Table of Contents

Related product manuals