EasyManua.ls Logo

LNS TRYTON 112 - Flow Chart

LNS TRYTON 112
103 pages
Print Icon
To Next Page IconTo Next Page
To Next Page IconTo Next Page
To Previous Page IconTo Previous Page
To Previous Page IconTo Previous Page
Loading...
8 - 10 CHAPTER 8 : OPERATION
TRYTON 112 CNC
Note :
Under certain
conditions, it
is possible to
perform
manual
movements
during the
automatic
cycle. .
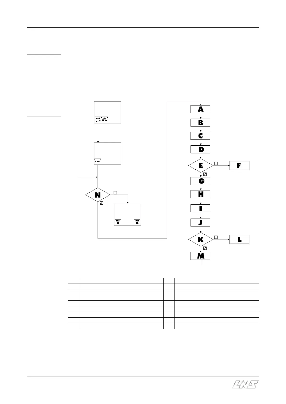
4.2 Flow chart
The sequence of event of the flow chart may vary depending on the interface and
operation parameters. The diagram below shows a standard cycle.
To turn on the automatic cycle, a bar must be introduced in the clamping system of the
lathe. Then, proceed as follows :
Sequence Sequence
A Production cycle, machining parts H Barrel indexing
B End of bar signal I The movable vise grasps and advances the
bar
C Feeding pusher reverses to reference point J Introduction of the bar into the collet
D The movable vise extracts the remnant K Monitoring of material presence
E Monitoring of material presence L Fill the bar magazine
F Remnant not extracted M Feeding pusher positions bar to Top-Cut
G The movable vise moves back N Closing the lathe chuck jaw

Table of Contents

Other manuals for LNS TRYTON 112

Related product manuals